优先发表
优先发表栏目展示本刊经同行评议确定正式录用的文章,这些文章目前处在编校过程,尚未确定卷期及页码,但可以根据DOI进行引用。
显示方式:
摘要:
本文研究了混杂多智能体系统在矩阵权重网络上的随机一致性问题.针对此类系统, 提出了一种基于采样信息的分布式随机一致性协议, 该协议采用异步成对更新机制, 有效降低了通信与计算需求.利用期望图理论和随机矩阵稳定性分析, 推出系统达到随机一致性的充分必要条件, 该条件与采样周期和期望拉普拉斯矩阵的零空间有关.特别地, 当反馈增益相同时, 给出了系统达到随机平均一致性的充要条件.此外, 通过分析误差系统的二阶矩收敛性, 借助马尔科夫不等式, 导出其收敛速度的\begin{document}$\epsilon$\end{document} -一致性时间的解析上界.最后, 数值仿真验证了所提协议的可行性与理论结果的有效性.
本文研究了混杂多智能体系统在矩阵权重网络上的随机一致性问题.针对此类系统, 提出了一种基于采样信息的分布式随机一致性协议, 该协议采用异步成对更新机制, 有效降低了通信与计算需求.利用期望图理论和随机矩阵稳定性分析, 推出系统达到随机一致性的充分必要条件, 该条件与采样周期和期望拉普拉斯矩阵的零空间有关.特别地, 当反馈增益相同时, 给出了系统达到随机平均一致性的充要条件.此外, 通过分析误差系统的二阶矩收敛性, 借助马尔科夫不等式, 导出其收敛速度的
摘要:
事件触发机制, 尤其是动态事件触发机制, 近年来在控制领域引起了广泛关注, 其核心挑战在于平衡控制性能与通信资源利用率. 当该机制与学习系统结合时, 这种平衡变得尤为关键, 因为还需兼顾学习效率. 本文针对具有未知动态的非线性连续时间系统, 提出了一种集成积分强化学习、最优控制与学习感知设计的新型动态事件触发最优控制方法, 该方法采用仅含评价网络的自适应结构在线学习最优控制策略, 并通过灵活配置的动态触发规则调控数据传输. 其核心创新在于设计了一种学习感知型动态事件触发机制, 该机制通过分析评价网络权值的历史变化趋势, 构建学习感知参数, 进而自适应地调整事件触发规则中的动态阈值参数. 这使得系统能适宜地在学习关键期采用"繁忙采样"以保障控制与学习精度, 在学习平稳期切换至"空闲采样"以节约通信与计算资源, 从而实现了控制性能、学习效率与资源消耗的有效平衡. 理论分析严格证明了闭环系统的渐近稳定性和权值误差的一致最终有界性. 最后, 在一个基准非线性系统和一个单连杆机械臂系统进行了仿真验证与对比实验, 结果表明与传统静态及动态事件触发方法相比, 提出方法能以更少的通信代价获得相当甚至更优的学习与控制效果.
事件触发机制, 尤其是动态事件触发机制, 近年来在控制领域引起了广泛关注, 其核心挑战在于平衡控制性能与通信资源利用率. 当该机制与学习系统结合时, 这种平衡变得尤为关键, 因为还需兼顾学习效率. 本文针对具有未知动态的非线性连续时间系统, 提出了一种集成积分强化学习、最优控制与学习感知设计的新型动态事件触发最优控制方法, 该方法采用仅含评价网络的自适应结构在线学习最优控制策略, 并通过灵活配置的动态触发规则调控数据传输. 其核心创新在于设计了一种学习感知型动态事件触发机制, 该机制通过分析评价网络权值的历史变化趋势, 构建学习感知参数, 进而自适应地调整事件触发规则中的动态阈值参数. 这使得系统能适宜地在学习关键期采用"繁忙采样"以保障控制与学习精度, 在学习平稳期切换至"空闲采样"以节约通信与计算资源, 从而实现了控制性能、学习效率与资源消耗的有效平衡. 理论分析严格证明了闭环系统的渐近稳定性和权值误差的一致最终有界性. 最后, 在一个基准非线性系统和一个单连杆机械臂系统进行了仿真验证与对比实验, 结果表明与传统静态及动态事件触发方法相比, 提出方法能以更少的通信代价获得相当甚至更优的学习与控制效果.
摘要:
针对一类带有全局耦合等式约束的分布式非合作博弈问题, 提出一种适用于二阶多智能体系统的预设时间分布式寻优算法. 研究目标是确保在强连通有向图拓扑下, 所有智能体能在预设时间内协同收敛至广义纳什均衡. 为克服通信拓扑权重不平衡带来的系统偏差, 算法采用两阶段收敛策略: 第一阶段利用一致性机制精确估计拉普拉斯矩阵的左特征向量, 实现拓扑补偿; 第二阶段通过引入阻尼项保障二阶积分型系统的可控性, 并结合拉格朗日乘子法处理全局约束, 同时利用基于领导$-$跟随一致性协议的估计器重构对手的决策信息, 以实现伪梯度的分布式更新. 此外, 针对权重平衡有向图这一特殊情形, 给出算法的简化实现形式. 在博弈映射满足强单调性假设下, 通过引入时间变换函数并构造新型李雅普诺夫函数, 从理论上严格证明系统能够在预设时间内收敛至广义纳什均衡, 并确保收敛后的持续稳定性. 最后, 数值仿真实验验证了算法在不同拓扑结构下的有效性与收敛精度.
针对一类带有全局耦合等式约束的分布式非合作博弈问题, 提出一种适用于二阶多智能体系统的预设时间分布式寻优算法. 研究目标是确保在强连通有向图拓扑下, 所有智能体能在预设时间内协同收敛至广义纳什均衡. 为克服通信拓扑权重不平衡带来的系统偏差, 算法采用两阶段收敛策略: 第一阶段利用一致性机制精确估计拉普拉斯矩阵的左特征向量, 实现拓扑补偿; 第二阶段通过引入阻尼项保障二阶积分型系统的可控性, 并结合拉格朗日乘子法处理全局约束, 同时利用基于领导$-$跟随一致性协议的估计器重构对手的决策信息, 以实现伪梯度的分布式更新. 此外, 针对权重平衡有向图这一特殊情形, 给出算法的简化实现形式. 在博弈映射满足强单调性假设下, 通过引入时间变换函数并构造新型李雅普诺夫函数, 从理论上严格证明系统能够在预设时间内收敛至广义纳什均衡, 并确保收敛后的持续稳定性. 最后, 数值仿真实验验证了算法在不同拓扑结构下的有效性与收敛精度.
摘要:
现代工业过程数据具有大容量、高维度及复杂相关性等特征, 单一多元统计监测方法难以兼顾不同类型特征的监测需求. 现有多模型融合方法与深度学习技术虽能提升故障检测性能, 但前者依赖模型库构建, 难以统一建模, 后者存在结构复杂与参数冗余问题. 针对上述问题, 提出一种基于两阶段多教师知识蒸馏的工业过程建模与故障检测方法. 该方法通过蒸馏框架将核主成分分析与独立成分分析提取的异构知识内化至学生自编码器模型中, 实现非线性与非高斯特征的统一建模, 并通过两阶段蒸馏协同优化特征空间与重构空间. 第一阶段在特征层蒸馏以引导学生模型学习教师模型的特征分布, 第二阶段在重构层蒸馏以提升模型对过程变化的表征与重构能力. 在田纳西—伊斯曼仿真过程及合成氨实际过程上的实验结果表明, 该方法能够有效提升故障检测的准确性与鲁棒性, 并通过离线知识蒸馏实现在线阶段的统一建模与高效监测.
现代工业过程数据具有大容量、高维度及复杂相关性等特征, 单一多元统计监测方法难以兼顾不同类型特征的监测需求. 现有多模型融合方法与深度学习技术虽能提升故障检测性能, 但前者依赖模型库构建, 难以统一建模, 后者存在结构复杂与参数冗余问题. 针对上述问题, 提出一种基于两阶段多教师知识蒸馏的工业过程建模与故障检测方法. 该方法通过蒸馏框架将核主成分分析与独立成分分析提取的异构知识内化至学生自编码器模型中, 实现非线性与非高斯特征的统一建模, 并通过两阶段蒸馏协同优化特征空间与重构空间. 第一阶段在特征层蒸馏以引导学生模型学习教师模型的特征分布, 第二阶段在重构层蒸馏以提升模型对过程变化的表征与重构能力. 在田纳西—伊斯曼仿真过程及合成氨实际过程上的实验结果表明, 该方法能够有效提升故障检测的准确性与鲁棒性, 并通过离线知识蒸馏实现在线阶段的统一建模与高效监测.
摘要:
鸟瞰视图表征基于统一的空间坐标系, 能够实现多传感器时空对齐与特征融合, 在自动驾驶领域三维目标检测任务中展现出显著优势. 首先, 阐述BEV表征的优势以及常用自动驾驶3D目标检测数据集与评价指标. 其次, 不同于现有综述文献的输入模态特性或模态特征融合的分析视角, 基于BEV表征, 从其稠密程度切入, 分别从稀疏表示、稠密表示、稀疏−稠密混合表示角度系统梳理现有研究工作, 指出现有方法在时空消耗与表征完备性之间的权衡困境. 最后, 从全天候鲁棒感知、相机参数无关的自适应几何建模、自动驾驶开放世界检测等角度, 指出实现低成本、高精度自动驾驶BEV目标检测的研究趋势, 希望为从事BEV感知研究的学者提供启发, 推动自动驾驶技术的发展.
鸟瞰视图表征基于统一的空间坐标系, 能够实现多传感器时空对齐与特征融合, 在自动驾驶领域三维目标检测任务中展现出显著优势. 首先, 阐述BEV表征的优势以及常用自动驾驶3D目标检测数据集与评价指标. 其次, 不同于现有综述文献的输入模态特性或模态特征融合的分析视角, 基于BEV表征, 从其稠密程度切入, 分别从稀疏表示、稠密表示、稀疏−稠密混合表示角度系统梳理现有研究工作, 指出现有方法在时空消耗与表征完备性之间的权衡困境. 最后, 从全天候鲁棒感知、相机参数无关的自适应几何建模、自动驾驶开放世界检测等角度, 指出实现低成本、高精度自动驾驶BEV目标检测的研究趋势, 希望为从事BEV感知研究的学者提供启发, 推动自动驾驶技术的发展.
摘要:
本文研究了一类同时存在软、硬输出约束的不确定非线性系统跟踪控制问题. 其中, 安全相关的输出约束被建模为不可违背的硬约束, 而期望的跟踪性能则通过可调节的软约束加以刻画. 针对软、硬约束可能发生冲突的情形, 引入一种光滑过渡函数, 并基于此构造凸组合算子对软约束边界进行直接修正, 从而保证其与硬约束的兼容性. 在此基础上, 将硬约束与修正后的软约束进行统一整合, 构造具有光滑边界的约束结构. 基于该约束结构并结合漏斗控制技术, 提出一种低复杂度鲁棒控制算法, 确保系统同时满足硬约束与修正后的软约束. 与现有基于辅助动态系统的软约束间接调整方法不同, 所提策略无需引入额外动态系统, 从而得到结构简洁、易于实现的静态控制器. 此外, 在软、硬约束冲突发生时, 该方法能够将软约束的违背量严格限制在硬约束所必需的最小违背量之上的预设容差范围内, 且在有限时间内实现约束解耦, 优先确保硬约束的严格满足. 仿真结果验证了该方法的有效性.
本文研究了一类同时存在软、硬输出约束的不确定非线性系统跟踪控制问题. 其中, 安全相关的输出约束被建模为不可违背的硬约束, 而期望的跟踪性能则通过可调节的软约束加以刻画. 针对软、硬约束可能发生冲突的情形, 引入一种光滑过渡函数, 并基于此构造凸组合算子对软约束边界进行直接修正, 从而保证其与硬约束的兼容性. 在此基础上, 将硬约束与修正后的软约束进行统一整合, 构造具有光滑边界的约束结构. 基于该约束结构并结合漏斗控制技术, 提出一种低复杂度鲁棒控制算法, 确保系统同时满足硬约束与修正后的软约束. 与现有基于辅助动态系统的软约束间接调整方法不同, 所提策略无需引入额外动态系统, 从而得到结构简洁、易于实现的静态控制器. 此外, 在软、硬约束冲突发生时, 该方法能够将软约束的违背量严格限制在硬约束所必需的最小违背量之上的预设容差范围内, 且在有限时间内实现约束解耦, 优先确保硬约束的严格满足. 仿真结果验证了该方法的有效性.
摘要:
受鱼群自组织行为启发, 提出一种面向欠驱动水面机器人(USV)的自组织编队架构, 以解决复杂海洋环境下多USV编队重构控制问题. 该架构采用分布式策略, 支持任意USV按需担任临时领导者并重构树状拓扑, 使编队构型随环境自适应调整. 在此基础上, 首先基于鱼群穿越狭窄通道的疏散行为机制, 提出一种仿鱼群疏散编队重构算法, 将通行优势排序与有限状态机切换结合, 实现受限环境中的高效、平滑重构. 然后, 基于鱼群逃逸行为机制, 设计自组织动态分裂−合并编队重构算法, 将重构问题建模为多智能体路径规划问题, 并结合Dubins路径和改进遗传算法优化满足USV运动学与安全间距约束的重构轨迹. 最后, 结合横截函数法设计编队控制律, 并基于Lyapunov理论证明闭环稳定性. 仿真结果表明, 所提方法在狭窄通道和大型障碍物场景下具有良好的适应性与重构效果.
受鱼群自组织行为启发, 提出一种面向欠驱动水面机器人(USV)的自组织编队架构, 以解决复杂海洋环境下多USV编队重构控制问题. 该架构采用分布式策略, 支持任意USV按需担任临时领导者并重构树状拓扑, 使编队构型随环境自适应调整. 在此基础上, 首先基于鱼群穿越狭窄通道的疏散行为机制, 提出一种仿鱼群疏散编队重构算法, 将通行优势排序与有限状态机切换结合, 实现受限环境中的高效、平滑重构. 然后, 基于鱼群逃逸行为机制, 设计自组织动态分裂−合并编队重构算法, 将重构问题建模为多智能体路径规划问题, 并结合Dubins路径和改进遗传算法优化满足USV运动学与安全间距约束的重构轨迹. 最后, 结合横截函数法设计编队控制律, 并基于Lyapunov理论证明闭环稳定性. 仿真结果表明, 所提方法在狭窄通道和大型障碍物场景下具有良好的适应性与重构效果.
摘要:
绳驱动软体机器人通过柔性本体与绳传动相结合, 在结构轻量化、运动柔顺性及人机交互安全性等方面具有显著优势, 在协作操作与安全交互场景中展现出重要应用潜力. 然而, 软体材料固有的强非线性与大变形特性, 以及绳驱动结构引入的多自由度耦合和参数不确定性, 使绳驱动软体机器人在复杂环境下的稳定控制与抗扰性能面临较大挑战. 针对上述问题, 构建一种仿生绳驱动软体机器人原型系统, 建立相应的运动学与动力学模型; 提出一种融合仿人决策的状态吸引控制方法, 该方法引入脉冲神经网络以模拟人类决策行为, 实现对绳驱动软体机器人启停策略与期望轨迹的自适应更新; 设计一种融合状态吸引函数与仿人决策的鲁棒轨迹跟踪控制策略, 用以约束跟踪误差在模型不确定性与外部扰动条件下的收敛方向, 并基于Lyapunov理论证明闭环系统的稳定性. 仿真与实物实验结果表明, 所提出的方法在鲁棒性、人机交互安全性及动态响应性能等方面具有良好表现, 验证了其在实际人机交互场景中的可行性与有效性.
绳驱动软体机器人通过柔性本体与绳传动相结合, 在结构轻量化、运动柔顺性及人机交互安全性等方面具有显著优势, 在协作操作与安全交互场景中展现出重要应用潜力. 然而, 软体材料固有的强非线性与大变形特性, 以及绳驱动结构引入的多自由度耦合和参数不确定性, 使绳驱动软体机器人在复杂环境下的稳定控制与抗扰性能面临较大挑战. 针对上述问题, 构建一种仿生绳驱动软体机器人原型系统, 建立相应的运动学与动力学模型; 提出一种融合仿人决策的状态吸引控制方法, 该方法引入脉冲神经网络以模拟人类决策行为, 实现对绳驱动软体机器人启停策略与期望轨迹的自适应更新; 设计一种融合状态吸引函数与仿人决策的鲁棒轨迹跟踪控制策略, 用以约束跟踪误差在模型不确定性与外部扰动条件下的收敛方向, 并基于Lyapunov理论证明闭环系统的稳定性. 仿真与实物实验结果表明, 所提出的方法在鲁棒性、人机交互安全性及动态响应性能等方面具有良好表现, 验证了其在实际人机交互场景中的可行性与有效性.
摘要:
随着水下机器人技术的发展, 基于气动驱动的仿生鱼尾机器人因其高灵活性和低噪声特性受到广泛关注. 然而, 气动驱动器固有的非线性迟滞效应与柔顺特性为鱼尾的精确动力学建模与摆动控制带来挑战. 为此, 针对气动仿生鱼尾机器人建立包含弹簧、质量与阻尼的三元动力学模型, 并通过实验数据实现参数辨识, 有效描述该机器人的复杂非线性动力学行为. 进而提出一种前馈−反馈复合控制方法, 基于所建立的模型生成前馈输入以提升响应速度, 结合PID反馈抑制建模误差与外部扰动, 同时基于Lyapunov理论证明系统的渐近稳定性. 实验结果表明, 在定频正弦、变幅变频及随机轨迹等多种工况下, 该方法相较传统PID控制, 具有更高的跟踪精度与动态适应能力, 同时, 反馈补偿与参数辨识也被证明对提升跟踪性能具有关键作用. 水下实验进一步验证了所提方法对辨识误差、未建模动态及外部扰动的适应能力.
随着水下机器人技术的发展, 基于气动驱动的仿生鱼尾机器人因其高灵活性和低噪声特性受到广泛关注. 然而, 气动驱动器固有的非线性迟滞效应与柔顺特性为鱼尾的精确动力学建模与摆动控制带来挑战. 为此, 针对气动仿生鱼尾机器人建立包含弹簧、质量与阻尼的三元动力学模型, 并通过实验数据实现参数辨识, 有效描述该机器人的复杂非线性动力学行为. 进而提出一种前馈−反馈复合控制方法, 基于所建立的模型生成前馈输入以提升响应速度, 结合PID反馈抑制建模误差与外部扰动, 同时基于Lyapunov理论证明系统的渐近稳定性. 实验结果表明, 在定频正弦、变幅变频及随机轨迹等多种工况下, 该方法相较传统PID控制, 具有更高的跟踪精度与动态适应能力, 同时, 反馈补偿与参数辨识也被证明对提升跟踪性能具有关键作用. 水下实验进一步验证了所提方法对辨识误差、未建模动态及外部扰动的适应能力.
摘要:
针对无人机集群在纯方位测量下协同跟踪动态目标集群时面临的强非线性、高维度以及估计−控制耦合等关键难题, 提出一种基于哈里斯鹰群环伺行为的分布式协同估计−控制闭环系统. 基于鹰群在环伺猎物时形成的多视角感知特性, 提出一种方位统计融合估计方法, 将贝叶斯统计与分布式滤波相融合, 引入共视子集的量测结构, 通过伪线性的方位统计降低估计问题中的计算维度,并保持系统的可观性. 依据鹰群的动态封锁机制, 提出一种环伺关联跟踪控制器, 使观测无人机能够主动维持最优环伺态势, 从而提升估计质量及稳定性. 理论分析证明该闭环系统的Lyapunov稳定性与估计误差的有界性, 数值仿真验证了所提方法的有效性.
针对无人机集群在纯方位测量下协同跟踪动态目标集群时面临的强非线性、高维度以及估计−控制耦合等关键难题, 提出一种基于哈里斯鹰群环伺行为的分布式协同估计−控制闭环系统. 基于鹰群在环伺猎物时形成的多视角感知特性, 提出一种方位统计融合估计方法, 将贝叶斯统计与分布式滤波相融合, 引入共视子集的量测结构, 通过伪线性的方位统计降低估计问题中的计算维度,并保持系统的可观性. 依据鹰群的动态封锁机制, 提出一种环伺关联跟踪控制器, 使观测无人机能够主动维持最优环伺态势, 从而提升估计质量及稳定性. 理论分析证明该闭环系统的Lyapunov稳定性与估计误差的有界性, 数值仿真验证了所提方法的有效性.
摘要:
模仿学习是实现从人手到机械手技能传递的有效方式. 传统示教方法面临示教方式不够直观、示教数据难以复用、触觉和动觉感知特征难以有效传递等问题. 为解决上述问题, 设计一款能够同时采集触觉和动觉特征的数据手套, 并提出以该手套为媒介的抓握技能传递方案, 包括基于图结构和极坐标的多模态特征表示、静力平衡假设下未知接触力估计、基于期望关节角度和接触力分布的动态重映射方法等. 实验证明, 对于可变形、不规则等多种属性的物体, 该方案能够在实现较高抓握成功率的同时保持合理的接触力控制, 相比于其他基准方案, 实现了相对更接近人手直接抓握的效果.
模仿学习是实现从人手到机械手技能传递的有效方式. 传统示教方法面临示教方式不够直观、示教数据难以复用、触觉和动觉感知特征难以有效传递等问题. 为解决上述问题, 设计一款能够同时采集触觉和动觉特征的数据手套, 并提出以该手套为媒介的抓握技能传递方案, 包括基于图结构和极坐标的多模态特征表示、静力平衡假设下未知接触力估计、基于期望关节角度和接触力分布的动态重映射方法等. 实验证明, 对于可变形、不规则等多种属性的物体, 该方案能够在实现较高抓握成功率的同时保持合理的接触力控制, 相比于其他基准方案, 实现了相对更接近人手直接抓握的效果.
摘要:
飞滚多模态球形机器人(飞滚机器人, FRR)兼具空中飞行与地面滚动的多模态移动能力, 在搜索救援和巡检侦察等任务中展现出巨大潜力, 然而其在室内环境下的自主导航仍面临环境建模复杂和路径规划效率不足的挑战. 自然界生物普遍通过环境简化与能效权衡以实现高效的空间位移, 因此本文受到生物启发, 提出一种基于分层栅格地图的飞滚多模态路径规划方法. 首先, 构建由建筑结构层与障碍物层组成的分层栅格地图, 以实现对室内环境关键要素的高效表征. 其次, 设计改进的Jump A* 算法, 在建筑结构层采用跳点搜索规划地面滚动路径, 在障碍物层采用A* 搜索规划空中飞行路径, 并在代价函数中引入能量损耗项, 通过可调权重实现移动距离与能量消耗的平衡. 实验结果表明, 该方法能够有效构建室内环境的分层栅格地图, 并可在该地图上根据不同的距离和能耗目标进行多模态路径规划, 为FRR在复杂室内场景下的自主导航提供了可行方案.
飞滚多模态球形机器人(飞滚机器人, FRR)兼具空中飞行与地面滚动的多模态移动能力, 在搜索救援和巡检侦察等任务中展现出巨大潜力, 然而其在室内环境下的自主导航仍面临环境建模复杂和路径规划效率不足的挑战. 自然界生物普遍通过环境简化与能效权衡以实现高效的空间位移, 因此本文受到生物启发, 提出一种基于分层栅格地图的飞滚多模态路径规划方法. 首先, 构建由建筑结构层与障碍物层组成的分层栅格地图, 以实现对室内环境关键要素的高效表征. 其次, 设计改进的Jump A* 算法, 在建筑结构层采用跳点搜索规划地面滚动路径, 在障碍物层采用A* 搜索规划空中飞行路径, 并在代价函数中引入能量损耗项, 通过可调权重实现移动距离与能量消耗的平衡. 实验结果表明, 该方法能够有效构建室内环境的分层栅格地图, 并可在该地图上根据不同的距离和能耗目标进行多模态路径规划, 为FRR在复杂室内场景下的自主导航提供了可行方案.
摘要:
针对仿生视触觉传感器中密集标记点目标在动态环境下检测精度与实时性难以兼顾、传统光流算法对光照敏感导致检测精度低的问题, 提出一种融合斑点检测与动态感兴趣区域(ROI)优化机制的改进CSRT算法. 以GelStereo型传感器为硬件平台, 通过轻量级斑点检测实现标记点目标初始定位, 并依据其运动轨迹自适应生成ROI, 显著降低了计算复杂度, 提升系统实时性. 实验结果表明, 所提算法在多种光照条件下均保持优越性能, 检测准确率、召回率与F1分数分别达0.9991 、0.9953 、0.9972 , 较光流算法F1分数提升17.48%; 跟踪持续率为99.41%, FPS提升至22.17, 是CSRT的2.66倍. 该算法有效平衡了检测鲁棒性、跟踪精度与实时性, 为仿生机器人高精度实时触觉感知提供了可行的技术方案.
针对仿生视触觉传感器中密集标记点目标在动态环境下检测精度与实时性难以兼顾、传统光流算法对光照敏感导致检测精度低的问题, 提出一种融合斑点检测与动态感兴趣区域(ROI)优化机制的改进CSRT算法. 以GelStereo型传感器为硬件平台, 通过轻量级斑点检测实现标记点目标初始定位, 并依据其运动轨迹自适应生成ROI, 显著降低了计算复杂度, 提升系统实时性. 实验结果表明, 所提算法在多种光照条件下均保持优越性能, 检测准确率、召回率与F1分数分别达
摘要:
无人摩托车静止时离心力效应失效, 因而其平衡控制具有极大的挑战性, 缺乏一种鲁棒且高效的控制机制. 受摩托车手定车技巧启发, 提出一种基于仿人操控的无人摩托静止平衡控制方法, 阐明定车原理并基于其实现后驱无人摩托静止平衡控制. 通过建立动力学模型并结合骑手实验, 从模型和数据两个维度分析定车机理, 揭示骑手在定车中保持平衡与地形适应的原理, 在此基础上提出平衡点自适应鲁棒定车控制方法. 该方法利用扰动观测器估计的扰动计算受扰平衡点, 进而使用非线性模型预测控制实现扰动下的平衡控制. 本文证明了所提方法的无静差跟踪特性, 通过实验验证方法的有效性, 该方法在侧向/纵向斜面定车任务中将可容忍扰动分别提升至普通模型预测控制的约3.1倍和2.4倍, 在后轮位置跟踪任务中将跟踪误差降低一个数量级.
无人摩托车静止时离心力效应失效, 因而其平衡控制具有极大的挑战性, 缺乏一种鲁棒且高效的控制机制. 受摩托车手定车技巧启发, 提出一种基于仿人操控的无人摩托静止平衡控制方法, 阐明定车原理并基于其实现后驱无人摩托静止平衡控制. 通过建立动力学模型并结合骑手实验, 从模型和数据两个维度分析定车机理, 揭示骑手在定车中保持平衡与地形适应的原理, 在此基础上提出平衡点自适应鲁棒定车控制方法. 该方法利用扰动观测器估计的扰动计算受扰平衡点, 进而使用非线性模型预测控制实现扰动下的平衡控制. 本文证明了所提方法的无静差跟踪特性, 通过实验验证方法的有效性, 该方法在侧向/纵向斜面定车任务中将可容忍扰动分别提升至普通模型预测控制的约3.1倍和2.4倍, 在后轮位置跟踪任务中将跟踪误差降低一个数量级.
摘要:
基于激光雷达的同步定位与建图在移动机器人和自动驾驶中得到广泛应用, 但是在雨、雪和粉尘等退化环境中, 激光束易受颗粒物散射干扰产生大量噪点, 导致地图失真和定位漂移. 本文提出毫米波雷达补偿的强度动态统计离群值去除方法(RC-IDSOR), 以实时滤除激光噪点并保留环境结构特征. 进一步构建雷达补偿的激光雷达惯性里程计(RC-LIO): 一方面, 优化动态局部协方差与设计强度置信度加权机制, 提高广义ICP匹配的稳定性; 另一方面, 在误差状态卡尔曼滤波预测中添加二阶补偿项, 提升IMU在高动态场景下的传播精度. 实验结果显示, RC-IDSOR在WADS数据集上的平均F-score超过0.85, 精确度提升约6.8%; RC-LIO在SubT-MRS退化场景中的平均绝对轨迹误差约为0.33 m, 在Snail-Radar强降雨环境下的定位误差较不启用滤波降低约49.6%. 最后将RC-LIO部署于重粉尘环境工业车辆, 测试算法短时重复定位误差小于5.6 cm, 且支持长时稳定运行, 具备实时性和工程可行性.
基于激光雷达的同步定位与建图在移动机器人和自动驾驶中得到广泛应用, 但是在雨、雪和粉尘等退化环境中, 激光束易受颗粒物散射干扰产生大量噪点, 导致地图失真和定位漂移. 本文提出毫米波雷达补偿的强度动态统计离群值去除方法(RC-IDSOR), 以实时滤除激光噪点并保留环境结构特征. 进一步构建雷达补偿的激光雷达惯性里程计(RC-LIO): 一方面, 优化动态局部协方差与设计强度置信度加权机制, 提高广义ICP匹配的稳定性; 另一方面, 在误差状态卡尔曼滤波预测中添加二阶补偿项, 提升IMU在高动态场景下的传播精度. 实验结果显示, RC-IDSOR在WADS数据集上的平均F-score超过0.85, 精确度提升约6.8%; RC-LIO在SubT-MRS退化场景中的平均绝对轨迹误差约为0.33 m, 在Snail-Radar强降雨环境下的定位误差较不启用滤波降低约49.6%. 最后将RC-LIO部署于重粉尘环境工业车辆, 测试算法短时重复定位误差小于5.6 cm, 且支持长时稳定运行, 具备实时性和工程可行性.
摘要:
形态智能通常指机器人利用“身体”的物理特性、几何结构以及动力学特征等简化复杂的计算(如控制器设计), 具备良好的环境适应性特点, 是实现具身智能的核心机制. 本文针对六杆张拉整体完全折叠问题, 提出一种利用形态智能机理简化控制方法, 实现部分绳驱下机器人整体的等效折叠. 首先基于“端点聚拢”形态构造折叠目标, 通过结构对称性分析得到四种折叠模式及对应的绳长变化量. 再通过图论回路空间分析, 识别由几何构型产生的冗余绳长变化量, 基于此确定折叠过程中的被控绳. 然后在静力学框架下建立电机输入与绳长变化映射关系并给出可达性判据, 以此得到每种模式下简化控制策略. 最后通过MATLAB准静态仿真及实物实验, 验证所提方法的有效性. 四种折叠模式下的简化控制策略均能实现机器人完全折叠, 驱动绳的数量可由传统方法的24降低至9, 展现了形态智能在简化机器人控制器设计方面的潜力.
形态智能通常指机器人利用“身体”的物理特性、几何结构以及动力学特征等简化复杂的计算(如控制器设计), 具备良好的环境适应性特点, 是实现具身智能的核心机制. 本文针对六杆张拉整体完全折叠问题, 提出一种利用形态智能机理简化控制方法, 实现部分绳驱下机器人整体的等效折叠. 首先基于“端点聚拢”形态构造折叠目标, 通过结构对称性分析得到四种折叠模式及对应的绳长变化量. 再通过图论回路空间分析, 识别由几何构型产生的冗余绳长变化量, 基于此确定折叠过程中的被控绳. 然后在静力学框架下建立电机输入与绳长变化映射关系并给出可达性判据, 以此得到每种模式下简化控制策略. 最后通过MATLAB准静态仿真及实物实验, 验证所提方法的有效性. 四种折叠模式下的简化控制策略均能实现机器人完全折叠, 驱动绳的数量可由传统方法的24降低至9, 展现了形态智能在简化机器人控制器设计方面的潜力.
摘要:
多智能体系统执行任务过程中需规避障碍、分布式交互信息, 以保证作业安全性、可靠性, 使得其作业空间受到防碰撞及障碍躲避的安全区域、通信连通性保持的智能体间有限相对位置约束. 为此, 本文研究在上述复杂空间约束下的多智能体预设时间一致性控制问题. 根据智能体与障碍物之间的安全距离, 区分多智能体系统作业过程为障碍规避模态及协同作业模态进行全作业过程描述. 在障碍规避模态, 除传统的智能体间及与障碍物碰撞安全距离约束外, 设计有通信距离约束的避障控制律, 保障在复杂空间障碍环境协同穿越情况下的作业安全性, 以及穿越障碍物后的分布式通信连通性, 防止协同避障后部分智能体断联、中断协同作业任务. 在协同作业模态, 针对传统有限时间稳定相关方法的收敛时间依赖系统初值的缺陷, 提出含时变增益的预设时间控制器设计方法, 实现在协同避障后初值不确定情况下的收敛时间预设, 提高了多智能体系统作业可靠性. 最后, 以二阶多智能体系统为例进行数值仿真, 验证了提出方法的有效性.
多智能体系统执行任务过程中需规避障碍、分布式交互信息, 以保证作业安全性、可靠性, 使得其作业空间受到防碰撞及障碍躲避的安全区域、通信连通性保持的智能体间有限相对位置约束. 为此, 本文研究在上述复杂空间约束下的多智能体预设时间一致性控制问题. 根据智能体与障碍物之间的安全距离, 区分多智能体系统作业过程为障碍规避模态及协同作业模态进行全作业过程描述. 在障碍规避模态, 除传统的智能体间及与障碍物碰撞安全距离约束外, 设计有通信距离约束的避障控制律, 保障在复杂空间障碍环境协同穿越情况下的作业安全性, 以及穿越障碍物后的分布式通信连通性, 防止协同避障后部分智能体断联、中断协同作业任务. 在协同作业模态, 针对传统有限时间稳定相关方法的收敛时间依赖系统初值的缺陷, 提出含时变增益的预设时间控制器设计方法, 实现在协同避障后初值不确定情况下的收敛时间预设, 提高了多智能体系统作业可靠性. 最后, 以二阶多智能体系统为例进行数值仿真, 验证了提出方法的有效性.
摘要:
在卫星信号拒止环境中实现无人机的高精度定位是一项关键且具有挑战性的任务. 针对这一难题, 提出一种基于超宽带信息智能决策的无人机自主精确定位方法, 通过超宽带的全局测距校正视觉惯性里程计的累积误差, 从而显著提升定位结果的精确性与鲁棒性. 具体来说, 采用复合干扰滤波方法对超宽带定位中存在的多源异质干扰进行处理; 同时构建超宽带信息评估模块, 对定位结果的可靠性进行量化评估. 实验结果表明, 所提基于超宽带信息智能决策的无人机自主精确定位方法可以有效提高无人机的定位精度.
在卫星信号拒止环境中实现无人机的高精度定位是一项关键且具有挑战性的任务. 针对这一难题, 提出一种基于超宽带信息智能决策的无人机自主精确定位方法, 通过超宽带的全局测距校正视觉惯性里程计的累积误差, 从而显著提升定位结果的精确性与鲁棒性. 具体来说, 采用复合干扰滤波方法对超宽带定位中存在的多源异质干扰进行处理; 同时构建超宽带信息评估模块, 对定位结果的可靠性进行量化评估. 实验结果表明, 所提基于超宽带信息智能决策的无人机自主精确定位方法可以有效提高无人机的定位精度.
, 最新更新时间
, doi: 10.16383/j.aas.c260096
摘要:
具身学习通过智能体与环境的主动交互与数据采集, 结合模型迭代更新, 实现自主智能. 然而, 随着环境复杂度和任务规模增加, 传统单智能体方法面临数据采集效率低、样本利用效率低、训练效率低等瓶颈, 严重制约了系统可扩展性. 针对上述问题, 提出一种云边协同的多智能体具身学习框架, 充分利用视觉?语言模型的高级推理能力, 在无需额外训练的前提下实现多智能体高效在线探索与协同数据采集. 具体地, 各智能体通过视觉?语言模型对观测数据及感知信息进行解析, 构建融合语义与空间状态的好奇心地图, 以指导短期目标选择, 实现语义驱动的高价值区域利用与空间驱动的未知区域探索的协同推进; 在短期探索任务完成后, 智能体能够基于全局空间状态与共享语义信息开展长期探索规划, 以保障探索的全面性与战略性. 所有智能体完成全场景探索后, 边缘端利用采集数据进行本地模型训练, 并将更新参数和少量数据上传云端, 由云端进行多源知识聚合, 生成全局优化模型. 实验结果表明, 所提方法显著优于基线方法, 为大规模复杂环境下多机器人自主智能学习提供新的有效范式.
具身学习通过智能体与环境的主动交互与数据采集, 结合模型迭代更新, 实现自主智能. 然而, 随着环境复杂度和任务规模增加, 传统单智能体方法面临数据采集效率低、样本利用效率低、训练效率低等瓶颈, 严重制约了系统可扩展性. 针对上述问题, 提出一种云边协同的多智能体具身学习框架, 充分利用视觉?语言模型的高级推理能力, 在无需额外训练的前提下实现多智能体高效在线探索与协同数据采集. 具体地, 各智能体通过视觉?语言模型对观测数据及感知信息进行解析, 构建融合语义与空间状态的好奇心地图, 以指导短期目标选择, 实现语义驱动的高价值区域利用与空间驱动的未知区域探索的协同推进; 在短期探索任务完成后, 智能体能够基于全局空间状态与共享语义信息开展长期探索规划, 以保障探索的全面性与战略性. 所有智能体完成全场景探索后, 边缘端利用采集数据进行本地模型训练, 并将更新参数和少量数据上传云端, 由云端进行多源知识聚合, 生成全局优化模型. 实验结果表明, 所提方法显著优于基线方法, 为大规模复杂环境下多机器人自主智能学习提供新的有效范式.
, 最新更新时间
, doi: 10.16383/j.aas.c250527
摘要:
针对永磁同步电机系统存在的参数不确定性、外部扰动及非完整约束特性导致的控制难题, 提出一种基于全驱系统(FAS) 理论的连续时变控制方法. 首先对转速误差动态模型进行微分分析, 将其转化为一个以\begin{document}$q$\end{document} 轴电压为输入的二阶FAS形式. 进而通过设计一个包含比例积分项的最优控制律, 主动塑造系统的闭环动态, 并引入一个非线性扰动观测器对集总扰动进行实时估计与前馈补偿. 进一步地, 基于Lyapunov稳定性理论证明所设计的闭环系统在时变扰动下是一致最终有界稳定的, 且在扰动变化率为零时是全局渐近稳定的. 最后给出系统化的参数整定流程, 将控制器与观测器参数直接与期望的响应速度、阻尼特性等性能指标相关联. 结果表明, 所提控制方法能够使系统状态快速、平滑地收敛至期望值, 在不同工况下均表现出良好的跟踪性能和扰动抑制能力, 验证了该方法的有效性和实用性.
针对永磁同步电机系统存在的参数不确定性、外部扰动及非完整约束特性导致的控制难题, 提出一种基于全驱系统(FAS) 理论的连续时变控制方法. 首先对转速误差动态模型进行微分分析, 将其转化为一个以
, 最新更新时间
, doi: 10.16383/j.aas.c250633
摘要:
多智能体强化学习(MARL)在协同任务中展现出卓越的性能. 然而, 在具有复杂交互关系的大规模多智能体系统(MAS)中, 传统的MARL算法由于缺乏高效的通信机制, 性能往往受到限制. 为提升MARL在大规模MAS中的性能, 本文提出一种具有指数图信息通信的情境MARL算法(EMAGIC). 首先, 设计基于单点指数图的通信拓扑结构, 每个智能体在每个时间步仅与一个智能体进行通信, 消息通过循环通信链路传递给所有智能体. 其次, 构建图信息通信机制, 利用门控循环单元编码多个时间步的消息, 并通过最大化同一时间步不同智能体间消息的互信息来优化消息的编码特征. 最后, 构建独立情境记忆(EM)模块, 建立平均回报与全局状态的对应关系以构建记忆库, 利用EM目标与个体价值均值的误差来构建损失函数. 在多个大规模多智能体环境中的实验结果表明, EMAGIC始终优于最先进的MARL基线方法.
多智能体强化学习(MARL)在协同任务中展现出卓越的性能. 然而, 在具有复杂交互关系的大规模多智能体系统(MAS)中, 传统的MARL算法由于缺乏高效的通信机制, 性能往往受到限制. 为提升MARL在大规模MAS中的性能, 本文提出一种具有指数图信息通信的情境MARL算法(EMAGIC). 首先, 设计基于单点指数图的通信拓扑结构, 每个智能体在每个时间步仅与一个智能体进行通信, 消息通过循环通信链路传递给所有智能体. 其次, 构建图信息通信机制, 利用门控循环单元编码多个时间步的消息, 并通过最大化同一时间步不同智能体间消息的互信息来优化消息的编码特征. 最后, 构建独立情境记忆(EM)模块, 建立平均回报与全局状态的对应关系以构建记忆库, 利用EM目标与个体价值均值的误差来构建损失函数. 在多个大规模多智能体环境中的实验结果表明, EMAGIC始终优于最先进的MARL基线方法.
摘要:
针对扑翼飞行器存在非线性动态、模型不确定性及嵌入式平台算力受限等问题, 本文提出一种可自定义变学习强度自学习控制方法. 该方法通过学习历史控制信息, 仅基于一个代数方程, 避免复杂控制器设计并有效提升轨迹跟踪精度与系统鲁棒性. 针对扑翼系统, 使用自定义函数对学习强度进行调节, 提高系统动态响应速度与稳态性能. 仿真结果表明, 所提方法在保持低计算复杂度同时, 具有优越控制性能.
针对扑翼飞行器存在非线性动态、模型不确定性及嵌入式平台算力受限等问题, 本文提出一种可自定义变学习强度自学习控制方法. 该方法通过学习历史控制信息, 仅基于一个代数方程, 避免复杂控制器设计并有效提升轨迹跟踪精度与系统鲁棒性. 针对扑翼系统, 使用自定义函数对学习强度进行调节, 提高系统动态响应速度与稳态性能. 仿真结果表明, 所提方法在保持低计算复杂度同时, 具有优越控制性能.
摘要:
受自然界多关节生物运动机理的启发, 针对当前仿生管道机器人面临的结构紧凑性以及运动速率的问题, 本文设计了一种新型仿生多关节管道检测机器人. 该管道机器人采用多关节串联与可变构型设计, 在保证管道机器人环境适应性的情况下, 提高了管道机器人运动速率和结构的紧凑性. 管道机器人在最大伸展状态下的外观尺寸为446 mm×80 mm×71.2 mm (长×宽×高) . 通过对管道机器人进行几何通过性分析, 确定其适用的管道范围: 在仅含竖直管的情况下, 适应管径为108 mm ~ 163 mm、在仅含水平管且无弯曲段时, 最小适应管径为108 mm、在含有水平弯曲段时, 最小适应管径增至213 mm, 且对应的最小弯曲半径为26 mm. 开展了多种工况下的运动实验, 实验结果表明, 机器人在水平管道中的最大平均运动速度可达 107.5 mm/s, 并能够完成管径适应、翻滚运动、倾斜管道及直角弯管实验, 验证了仿生多关节管道检测机器人方案设计的可行性. 本文所提出的仿生多关节管道机器人为变管径管道检测机器人设计提供了借鉴.
受自然界多关节生物运动机理的启发, 针对当前仿生管道机器人面临的结构紧凑性以及运动速率的问题, 本文设计了一种新型仿生多关节管道检测机器人. 该管道机器人采用多关节串联与可变构型设计, 在保证管道机器人环境适应性的情况下, 提高了管道机器人运动速率和结构的紧凑性. 管道机器人在最大伸展状态下的外观尺寸为446 mm×80 mm×71.2 mm (长×宽×高) . 通过对管道机器人进行几何通过性分析, 确定其适用的管道范围: 在仅含竖直管的情况下, 适应管径为108 mm ~ 163 mm、在仅含水平管且无弯曲段时, 最小适应管径为108 mm、在含有水平弯曲段时, 最小适应管径增至213 mm, 且对应的最小弯曲半径为26 mm. 开展了多种工况下的运动实验, 实验结果表明, 机器人在水平管道中的最大平均运动速度可达 107.5 mm/s, 并能够完成管径适应、翻滚运动、倾斜管道及直角弯管实验, 验证了仿生多关节管道检测机器人方案设计的可行性. 本文所提出的仿生多关节管道机器人为变管径管道检测机器人设计提供了借鉴.
摘要:
针对基于萃取机理的稀土萃取工艺流程模拟难以符合实际萃取生产工况的问题, 提出一种基于多分支回归生成对抗网络的稀土萃取分离流程模拟方法, 实现稀土萃取分离各级萃取槽稀土元素组分含量的精准计算. 首先, 针对稀土萃取生产现场有效样本数量较少, 采用生成对抗网络(GAN)构造生成对抗模型, 依据稀土萃取工艺串级分离特点, 使用多分支深层网络构造GAN的生成器, 逐级学习萃取级间数据深层特征; 提出判别器与回归器的浅层特征共享机制, 回归器复用判别器首层卷积特征以提升预测性能, 并通过回归一致性约束以生成更真实的样本; 根据多分支网络结构特点, 设计一种递归渐近式对抗训练策略, 固定前一分支子GAN模型学习到的网络参数并作为下一分支子GAN的共同特征, 各分支子GAN内部生成器、判别器、回归器三者循环对抗训练, 在保证模型稳定收敛的同时, 精准捕捉级间耦合特征. 仿真结果表明了本文所提方法的有效性.
针对基于萃取机理的稀土萃取工艺流程模拟难以符合实际萃取生产工况的问题, 提出一种基于多分支回归生成对抗网络的稀土萃取分离流程模拟方法, 实现稀土萃取分离各级萃取槽稀土元素组分含量的精准计算. 首先, 针对稀土萃取生产现场有效样本数量较少, 采用生成对抗网络(GAN)构造生成对抗模型, 依据稀土萃取工艺串级分离特点, 使用多分支深层网络构造GAN的生成器, 逐级学习萃取级间数据深层特征; 提出判别器与回归器的浅层特征共享机制, 回归器复用判别器首层卷积特征以提升预测性能, 并通过回归一致性约束以生成更真实的样本; 根据多分支网络结构特点, 设计一种递归渐近式对抗训练策略, 固定前一分支子GAN模型学习到的网络参数并作为下一分支子GAN的共同特征, 各分支子GAN内部生成器、判别器、回归器三者循环对抗训练, 在保证模型稳定收敛的同时, 精准捕捉级间耦合特征. 仿真结果表明了本文所提方法的有效性.
摘要:
针对空间机械臂在微重力环境下执行漂浮目标自主抓取任务时存在的样本获取难、泛化能力弱、动态扰动适应差的问题, 提出一种融合仿生智能的渐进式模仿强化学习方法. 首先, 基于遥操作采集的人类臂手协同操作专家演示数据, 构建多层感知机(MLP) 初始抓取策略模型, 并通过行为克隆完成仿生抓取训练; 然后, 将该初始模型嵌入Genesis高保真空间操作仿真环境, 采用近端策略优化空间抓取算法开展抓取策略在线微调, 依托叠加式动作空间与分阶段奖励机制实现专家先验知识与环境自主探索的协同优化, 有效解决模仿学习的分布偏移缺陷与强化学习样本效率瓶颈. 实验结果表明, 所提方法在目标随机位姿扰动下抓取成功率达89.5%, 较MLP模仿学习提升14.5%, 显著增强了策略在目标位姿偏差下复杂空间场景中的鲁棒性与环境适应能力, 为微重力环境下空间机械臂漂浮目标自主抓取提供新的技术方案.
针对空间机械臂在微重力环境下执行漂浮目标自主抓取任务时存在的样本获取难、泛化能力弱、动态扰动适应差的问题, 提出一种融合仿生智能的渐进式模仿强化学习方法. 首先, 基于遥操作采集的人类臂手协同操作专家演示数据, 构建多层感知机(MLP) 初始抓取策略模型, 并通过行为克隆完成仿生抓取训练; 然后, 将该初始模型嵌入Genesis高保真空间操作仿真环境, 采用近端策略优化空间抓取算法开展抓取策略在线微调, 依托叠加式动作空间与分阶段奖励机制实现专家先验知识与环境自主探索的协同优化, 有效解决模仿学习的分布偏移缺陷与强化学习样本效率瓶颈. 实验结果表明, 所提方法在目标随机位姿扰动下抓取成功率达89.5%, 较MLP模仿学习提升14.5%, 显著增强了策略在目标位姿偏差下复杂空间场景中的鲁棒性与环境适应能力, 为微重力环境下空间机械臂漂浮目标自主抓取提供新的技术方案.
摘要:
精准分割早期小病灶对疾病诊疗至关重要, 但现有方法面对特征稀疏、易受背景干扰的小病灶时性能显著下降. 受计算机断层扫描成像中X射线衰减物理原理启发, 发现小病灶在影像中呈现出中心亮、边缘渐弱的强度分布, 其轮廓与二维高斯分布高度吻合. 为此, 提出一种辐射衰减原理引导的显著性感知分割网络(RAP-Net). RAP-Net将射线衰减导致的二维高斯分布作为相关性滤波卷积核融入深度学习架构, 并通过专为小病灶设计的多尺度感知特征网络, 其核心显著特征感知提取模块利用多尺度高斯空洞卷积精确建模衰减原理以实现稀疏特征的深度挖掘与背景抑制. 实验表明, RAP-Net在小肾结石与小肝脏钙化灶分割任务中的Dice系数和IoU提升至少18.05%与19.55%, 显著超越现有主流方法.
精准分割早期小病灶对疾病诊疗至关重要, 但现有方法面对特征稀疏、易受背景干扰的小病灶时性能显著下降. 受计算机断层扫描成像中X射线衰减物理原理启发, 发现小病灶在影像中呈现出中心亮、边缘渐弱的强度分布, 其轮廓与二维高斯分布高度吻合. 为此, 提出一种辐射衰减原理引导的显著性感知分割网络(RAP-Net). RAP-Net将射线衰减导致的二维高斯分布作为相关性滤波卷积核融入深度学习架构, 并通过专为小病灶设计的多尺度感知特征网络, 其核心显著特征感知提取模块利用多尺度高斯空洞卷积精确建模衰减原理以实现稀疏特征的深度挖掘与背景抑制. 实验表明, RAP-Net在小肾结石与小肝脏钙化灶分割任务中的Dice系数和IoU提升至少18.05%与19.55%, 显著超越现有主流方法.
摘要:
动态点云视频时空耦合复杂, 现有端到端方法仅支持特定数据集与任务验证, 跨场景、跨任务泛化能力不足, 需重复训练. 为了能够挖掘可迁移的通用先验, 本文将研究视角重新聚焦于静态点云基础模型. 首先分析现有迁移学习方法存在的两大掣肘, 即密集计算与冗余设计. 为了实现轻量、紧凑的目标, 提出一种基于渐进式适配器的跨模态高效迁移学习方法. 该方法通过无重叠的3D滑动窗口注意力, 将自注意力复杂度由二次降为线性. 引入洗牌希尔伯特-Z序双向扫描曲线, 将动态点云视频约束为兼容Mamba的特征序列, 并以渐进式门控融合实现基础模型与新增适配器的高效协同. 整体方法不改变基础模型权重, 不依赖外部辅助设计. 在MSR-Action3D、HOI4D和SHREC'17上的实验结果表明, 仅微调1.8%参数即可获得超越现有基线模型的性能, 验证了该方法的优越性.
动态点云视频时空耦合复杂, 现有端到端方法仅支持特定数据集与任务验证, 跨场景、跨任务泛化能力不足, 需重复训练. 为了能够挖掘可迁移的通用先验, 本文将研究视角重新聚焦于静态点云基础模型. 首先分析现有迁移学习方法存在的两大掣肘, 即密集计算与冗余设计. 为了实现轻量、紧凑的目标, 提出一种基于渐进式适配器的跨模态高效迁移学习方法. 该方法通过无重叠的3D滑动窗口注意力, 将自注意力复杂度由二次降为线性. 引入洗牌希尔伯特-Z序双向扫描曲线, 将动态点云视频约束为兼容Mamba的特征序列, 并以渐进式门控融合实现基础模型与新增适配器的高效协同. 整体方法不改变基础模型权重, 不依赖外部辅助设计. 在MSR-Action3D、HOI4D和SHREC'17上的实验结果表明, 仅微调1.8%参数即可获得超越现有基线模型的性能, 验证了该方法的优越性.
摘要:
针对复杂动态场景下大规模无人集群拦截任务, 提出一种基于图注意力机制与动态分组的集群协同拦截框架. 现有基于规则或优化的方法在实时性、泛化性与目标分配效能方面存在局限, 而多智能体强化学习在复杂动态场景下面临维度爆炸、策略泛化性不足等挑战. 为提升复杂动态场景下集群拦截策略学习效率以及跨场景泛化能力, 创新性地设计了目标动态分组模块、图注意力模块与改进多智能体强化学习(MARL)模块, 并融合成一套闭环算法框架: 1)目标分组模块通过周期性聚类将敌方集群分解为低维战术小组, 敌方小组信息作为节点传输给图注意力模块, 降低状态-动作维度; 2)图注意力模块利用敌方小组节点信息, 基于图注意力网络进行特征融合并构建敌我智能体-小组间相对关系, 生成目标重要性权重以引导差异化奖励函数设计, 提升策略目标分配与泛化能力; 3)MARL模块结合差异化奖励函数与融合特征, 基于SAC算法与对抗性训练机制进行策略学习, 进一步增强策略泛化性. 仿真实验表明该框架显著提升复杂动态场景下集群拦截效率以及跨场景泛化能力.
针对复杂动态场景下大规模无人集群拦截任务, 提出一种基于图注意力机制与动态分组的集群协同拦截框架. 现有基于规则或优化的方法在实时性、泛化性与目标分配效能方面存在局限, 而多智能体强化学习在复杂动态场景下面临维度爆炸、策略泛化性不足等挑战. 为提升复杂动态场景下集群拦截策略学习效率以及跨场景泛化能力, 创新性地设计了目标动态分组模块、图注意力模块与改进多智能体强化学习(MARL)模块, 并融合成一套闭环算法框架: 1)目标分组模块通过周期性聚类将敌方集群分解为低维战术小组, 敌方小组信息作为节点传输给图注意力模块, 降低状态-动作维度; 2)图注意力模块利用敌方小组节点信息, 基于图注意力网络进行特征融合并构建敌我智能体-小组间相对关系, 生成目标重要性权重以引导差异化奖励函数设计, 提升策略目标分配与泛化能力; 3)MARL模块结合差异化奖励函数与融合特征, 基于SAC算法与对抗性训练机制进行策略学习, 进一步增强策略泛化性. 仿真实验表明该框架显著提升复杂动态场景下集群拦截效率以及跨场景泛化能力.
摘要:
陆空多模态机器人在灾害救援、特种巡检、外星探索等方面展现出重要的应用潜力, 具有环境适应性强、续航时间长、任务连续性好等优势, 其运动过程涵盖地面移动、起飞、飞行与着陆等多个运动环节. 各运动模态下的精准运动控制及不同模态间的稳定转换, 是保障陆空多模态机器人高效、可靠执行探测与救援等任务的关键. 本文系统总结国内外陆空多模态机器人的近期研究, 阐述不同类型机器人的构型特点、驱动方式及运动机理. 在此基础上, 重点分析其在复杂地形下的障碍感知与稳定移动、非结构化环境中的自主稳定起飞、气流扰动下的稳定飞行与轨迹保持以及地面效应与触地冲击下的缓冲着陆等关键技术. 最后, 阐述陆空多模态机器人自主化智能化运动面临的挑战及发展趋势.
陆空多模态机器人在灾害救援、特种巡检、外星探索等方面展现出重要的应用潜力, 具有环境适应性强、续航时间长、任务连续性好等优势, 其运动过程涵盖地面移动、起飞、飞行与着陆等多个运动环节. 各运动模态下的精准运动控制及不同模态间的稳定转换, 是保障陆空多模态机器人高效、可靠执行探测与救援等任务的关键. 本文系统总结国内外陆空多模态机器人的近期研究, 阐述不同类型机器人的构型特点、驱动方式及运动机理. 在此基础上, 重点分析其在复杂地形下的障碍感知与稳定移动、非结构化环境中的自主稳定起飞、气流扰动下的稳定飞行与轨迹保持以及地面效应与触地冲击下的缓冲着陆等关键技术. 最后, 阐述陆空多模态机器人自主化智能化运动面临的挑战及发展趋势.
摘要:
针对高超声速变形飞行器在变形过程中面临的模型不确定性、强外部扰动及执行器饱和问题,提出一种复合控制方法. 该方法集成预设时间扰动观测器、抗饱和辅助系统与自适应动态规划.首先, 设计基于模糊系统的预设时间扰动观测器, 实现对集总扰动的快速精确估计与前馈补偿; 其次, 引入动态抗饱和辅助变量, 在控制量饱和后调整收敛轨迹从而减轻饱和, 并在饱和结束后引导系统收敛, 保障系统闭环稳定性; 进一步, 构建包含跟踪误差与控制能耗的综合代价函数, 采用自适应动态规划在线逼近最优控制律, 通过输入到状态稳定性理论证明闭环系统所有信号一致最终有界. 仿真结果表明, 所提控制方法在强扰动与执行器饱和条件下, 能实现姿态跟踪误差的预设时间收敛, 相比传统的抗扰控制与纯数据驱动方法, 具备更快的动态响应、更高的跟踪精度与更优的饱和抑制能力.
针对高超声速变形飞行器在变形过程中面临的模型不确定性、强外部扰动及执行器饱和问题,提出一种复合控制方法. 该方法集成预设时间扰动观测器、抗饱和辅助系统与自适应动态规划.首先, 设计基于模糊系统的预设时间扰动观测器, 实现对集总扰动的快速精确估计与前馈补偿; 其次, 引入动态抗饱和辅助变量, 在控制量饱和后调整收敛轨迹从而减轻饱和, 并在饱和结束后引导系统收敛, 保障系统闭环稳定性; 进一步, 构建包含跟踪误差与控制能耗的综合代价函数, 采用自适应动态规划在线逼近最优控制律, 通过输入到状态稳定性理论证明闭环系统所有信号一致最终有界. 仿真结果表明, 所提控制方法在强扰动与执行器饱和条件下, 能实现姿态跟踪误差的预设时间收敛, 相比传统的抗扰控制与纯数据驱动方法, 具备更快的动态响应、更高的跟踪精度与更优的饱和抑制能力.
摘要:
在铝电解过程中, 阳极效应是影响电能利用效率的典型异常工况, 其发生往往伴随阳极电阻的剧烈波动. 若能实现阳极电阻变化的实时预测, 即可对阳极效应进行前瞻性识别. 为此, 提出一种融合机理约束与数据驱动思想的多通道时空预测模型(卷积长短期记忆–二维卷积–多头注意力, ConvLSTM-Conv2D-MHA), 以联合刻画多槽系统的共性与差异特征. 模型利用堆叠ConvLSTM层提取时序动态, 通过Conv2D分支强化空间特征表达, 并引入MHA机制捕捉长时依赖关系, 从而提升对趋势变化及早期波动的敏感度. 实验结果表明, 该模型在阳极电阻趋势预测中表现出更高的精度与稳定性, 较传统时序模型更能利用多槽间潜在的耦合关联.
在铝电解过程中, 阳极效应是影响电能利用效率的典型异常工况, 其发生往往伴随阳极电阻的剧烈波动. 若能实现阳极电阻变化的实时预测, 即可对阳极效应进行前瞻性识别. 为此, 提出一种融合机理约束与数据驱动思想的多通道时空预测模型(卷积长短期记忆–二维卷积–多头注意力, ConvLSTM-Conv2D-MHA), 以联合刻画多槽系统的共性与差异特征. 模型利用堆叠ConvLSTM层提取时序动态, 通过Conv2D分支强化空间特征表达, 并引入MHA机制捕捉长时依赖关系, 从而提升对趋势变化及早期波动的敏感度. 实验结果表明, 该模型在阳极电阻趋势预测中表现出更高的精度与稳定性, 较传统时序模型更能利用多槽间潜在的耦合关联.
摘要:
随着大语言模型的发展, 多智能体虚拟课堂正成为低风险教学实验与策略验证的重要工具. 然而, 现有方法往往忽视真实课堂中的话语结构、学生潜在状态与同伴交互机制, 缺乏对教学互动真实性及干预效果的系统建模与评估. 为此, 提出IRF-Smi框架: 以发起–应答–反馈话语链条约束教学对话, 结合第一视角潜在状态建模与小世界社交网络, 刻画师生行为的动态演化及同伴影响. 同时构建教学互动真实性评测基准, 并采用Pearson相关系数、组内相关系数及平均绝对误差对模拟结果进行量化评估. 在50节K-12课堂数据上的实验表明, IRF-Smi相比AutoGen与MetaGPT在师生行为分布一致性方面表现更优; 此外, 游戏化教学策略带来显著收益, 验证了该框架用于教学机制研究与智能体行为验证的潜力.
随着大语言模型的发展, 多智能体虚拟课堂正成为低风险教学实验与策略验证的重要工具. 然而, 现有方法往往忽视真实课堂中的话语结构、学生潜在状态与同伴交互机制, 缺乏对教学互动真实性及干预效果的系统建模与评估. 为此, 提出IRF-Smi框架: 以发起–应答–反馈话语链条约束教学对话, 结合第一视角潜在状态建模与小世界社交网络, 刻画师生行为的动态演化及同伴影响. 同时构建教学互动真实性评测基准, 并采用Pearson相关系数、组内相关系数及平均绝对误差对模拟结果进行量化评估. 在50节K-12课堂数据上的实验表明, IRF-Smi相比AutoGen与MetaGPT在师生行为分布一致性方面表现更优; 此外, 游戏化教学策略带来显著收益, 验证了该框架用于教学机制研究与智能体行为验证的潜力.
摘要:
人工肌肉是仿生机器人的核心驱动部件, 然而当前人工肌肉的应用与真实生物相差甚远, 缺乏像生物一样的冗余多肌肉协同. 围绕仿生机器人的复杂人工肌肉驱动与协同, 本文提出一种由多股人工肌肉并联驱动的软体机器人设计, 并围绕这种设计建立了基于强化学习的运动控制策略. 研制了以柔性十字形电路板为主体, 集成六路液晶弹性体人工肌肉与驱动电路的原型样机, 并测试获得其应变特性与响应性能; 针对原型样机形变-运动特点, 在仿真环境中构建了基于绳腱驱动的简化模型. 通过合理设计状态空间、动作空间及奖励函数等, 以Soft Actor-Critic算法进行强化学习并行训练, 得到平移与旋转运动肌肉协同策略. 将运动策略中稳定周期段以离线方式驱动实物样机, 实现有效的多向平移与旋转运动, 验证了采用强化学习控制复杂人工肌肉系统的可行性.
人工肌肉是仿生机器人的核心驱动部件, 然而当前人工肌肉的应用与真实生物相差甚远, 缺乏像生物一样的冗余多肌肉协同. 围绕仿生机器人的复杂人工肌肉驱动与协同, 本文提出一种由多股人工肌肉并联驱动的软体机器人设计, 并围绕这种设计建立了基于强化学习的运动控制策略. 研制了以柔性十字形电路板为主体, 集成六路液晶弹性体人工肌肉与驱动电路的原型样机, 并测试获得其应变特性与响应性能; 针对原型样机形变-运动特点, 在仿真环境中构建了基于绳腱驱动的简化模型. 通过合理设计状态空间、动作空间及奖励函数等, 以Soft Actor-Critic算法进行强化学习并行训练, 得到平移与旋转运动肌肉协同策略. 将运动策略中稳定周期段以离线方式驱动实物样机, 实现有效的多向平移与旋转运动, 验证了采用强化学习控制复杂人工肌肉系统的可行性.
摘要:
仿生关节结构与多模式爬行机器人对复杂环境下的柔顺运动具有重要意义. 针对现有爬行机器人运动模式单一的问题, 本文首先设计了一种受章鱼触腕肌肉结构启发的三腔气动关节. 该关节实现了模块化设计和三维空间的差异化轨迹运动. 基于该关节本文提出并研制了一种兼具多种运动模式的仿生爬行机器人. 通过选择不同的气压激励方式, 机器人在同一平台上实现了类似蜥蜴的纵向爬行与类似螃蟹的横向爬行, 分别实现了142.54 mm/min和90.02 mm/min的移动速度. 本文围绕关节设计原理、结构实现、制造工艺及机器人集成与运动验证进行了系统研究, 为气动关节设计和多模式仿生爬行机器人的开发提供了新的技术途径.
仿生关节结构与多模式爬行机器人对复杂环境下的柔顺运动具有重要意义. 针对现有爬行机器人运动模式单一的问题, 本文首先设计了一种受章鱼触腕肌肉结构启发的三腔气动关节. 该关节实现了模块化设计和三维空间的差异化轨迹运动. 基于该关节本文提出并研制了一种兼具多种运动模式的仿生爬行机器人. 通过选择不同的气压激励方式, 机器人在同一平台上实现了类似蜥蜴的纵向爬行与类似螃蟹的横向爬行, 分别实现了142.54 mm/min和90.02 mm/min的移动速度. 本文围绕关节设计原理、结构实现、制造工艺及机器人集成与运动验证进行了系统研究, 为气动关节设计和多模式仿生爬行机器人的开发提供了新的技术途径.
摘要:
多无人机协同导航是实现高效海上协同作业的重要技术. 然而, 在广阔且动态未知的海域中, 受限感知能力与自主决策机制使无人机之间的协作关系复杂, 难以获取全局信息. 近年来, 基于集中训练与分散执行范式的多智能体强化学习在协作行为学习方面取得显著进展, 并被广泛应用于海上协同导航任务. 但由于智能体交互往往仅在特定情境下发生, 如何有效提升协作效率与探索能力仍是关键挑战. 为解决上述问题, 提出一种基于因果影响检测的多智能体近端策略优化方法. 该方法以智能体之间的因果影响为衡量准则, 引入基于协作规则设计的内在奖励机制, 利用因果推断与条件互信息来检测智能体之间在行为上的因果影响, 从而引导其优先探索对全局状态具有正向影响的动作, 强化多智能体间的合作. 实验结果表明, 所提方法表现出显著的性能提升, 尤其在海上搜救任务中展现出更高的协同效率, 验证了方法的有效性.
多无人机协同导航是实现高效海上协同作业的重要技术. 然而, 在广阔且动态未知的海域中, 受限感知能力与自主决策机制使无人机之间的协作关系复杂, 难以获取全局信息. 近年来, 基于集中训练与分散执行范式的多智能体强化学习在协作行为学习方面取得显著进展, 并被广泛应用于海上协同导航任务. 但由于智能体交互往往仅在特定情境下发生, 如何有效提升协作效率与探索能力仍是关键挑战. 为解决上述问题, 提出一种基于因果影响检测的多智能体近端策略优化方法. 该方法以智能体之间的因果影响为衡量准则, 引入基于协作规则设计的内在奖励机制, 利用因果推断与条件互信息来检测智能体之间在行为上的因果影响, 从而引导其优先探索对全局状态具有正向影响的动作, 强化多智能体间的合作. 实验结果表明, 所提方法表现出显著的性能提升, 尤其在海上搜救任务中展现出更高的协同效率, 验证了方法的有效性.
摘要:
针对电力负荷呈现高度非线性和强不确定性等特征导致关键指标难以准确预测的问题, 提出一种基于元认知二型模糊神经网络的区间预测方法. 首先, 设计基于多值映射的二型模糊规则, 利用区间估计技术将规则后件由单值标量扩展为区间向量, 处理不确定性导致的负荷序列变量关联关系偏差并捕捉变量间的非线性关系. 其次, 构建基于误差补偿机制的二型模糊神经网络, 引入动态反馈结构实时感知并补偿累积误差和模型偏差, 实现关键序列指标高精度预测. 然后, 设计基于区间覆盖率和区间宽度的元认知学习算法, 通过实时评估区间可靠性自适应优化二型模糊神经网络边界估计值, 提高区间预测的置信度. 最后, 将提出的元认知二型模糊神经网络应用于城市电力负荷预测任务. 验证结果显示, 该方法能够提供高置信度且精确的预测区间.
针对电力负荷呈现高度非线性和强不确定性等特征导致关键指标难以准确预测的问题, 提出一种基于元认知二型模糊神经网络的区间预测方法. 首先, 设计基于多值映射的二型模糊规则, 利用区间估计技术将规则后件由单值标量扩展为区间向量, 处理不确定性导致的负荷序列变量关联关系偏差并捕捉变量间的非线性关系. 其次, 构建基于误差补偿机制的二型模糊神经网络, 引入动态反馈结构实时感知并补偿累积误差和模型偏差, 实现关键序列指标高精度预测. 然后, 设计基于区间覆盖率和区间宽度的元认知学习算法, 通过实时评估区间可靠性自适应优化二型模糊神经网络边界估计值, 提高区间预测的置信度. 最后, 将提出的元认知二型模糊神经网络应用于城市电力负荷预测任务. 验证结果显示, 该方法能够提供高置信度且精确的预测区间.
摘要:
本文提出一种基于自适应动态规划的动态事件触发方法(DEM), 用于解决具有状态与控制双重非对称约束的非线性连续时间系统最优控制问题. 首先, 利用非线性映射函数将非对称约束系统的控制问题转化为无约束形式. 然后, 设计一种静态事件触发方法(SEM), 其中触发条件仅与当前状态相关. 进一步, 开发一种依赖额外内部动态变量的DEM, 其触发条件也与系统历史信息相关. 事实上, DEM是SEM的进阶方法. 理论分析证实DEM在确保系统性能的情况下, 能够进一步节省计算和网络资源. 最后, 介绍基于神经网络的实现方法. 在无人水面艇仿真实验环境下, 该方法的有效性得到了验证.
本文提出一种基于自适应动态规划的动态事件触发方法(DEM), 用于解决具有状态与控制双重非对称约束的非线性连续时间系统最优控制问题. 首先, 利用非线性映射函数将非对称约束系统的控制问题转化为无约束形式. 然后, 设计一种静态事件触发方法(SEM), 其中触发条件仅与当前状态相关. 进一步, 开发一种依赖额外内部动态变量的DEM, 其触发条件也与系统历史信息相关. 事实上, DEM是SEM的进阶方法. 理论分析证实DEM在确保系统性能的情况下, 能够进一步节省计算和网络资源. 最后, 介绍基于神经网络的实现方法. 在无人水面艇仿真实验环境下, 该方法的有效性得到了验证.
摘要:
针对现有迭代学习控制方法中迭代次数依赖初始跟踪误差及系统不确定性影响控制精度等问题, 提出一种数据驱动鲁棒固定次迭代学习控制方法. 首先, 通过构造沿迭代轴的双曲正切型趋近律, 设计固定次迭代学习控制器, 推导出跟踪误差的稳态误差带并移除迭代次数上界依赖初始误差这一限制, 保证系统跟踪误差在固定迭代次数内收敛. 在此基础上, 基于系统输入输出数据设计沿迭代轴更新的参数自适应律与扩张状态观测器, 估计未知参数并补偿系统中未知干扰, 进而提高系统的鲁棒性与跟踪精度. 理论分析和仿真结果验证了所提方法的有效性.
针对现有迭代学习控制方法中迭代次数依赖初始跟踪误差及系统不确定性影响控制精度等问题, 提出一种数据驱动鲁棒固定次迭代学习控制方法. 首先, 通过构造沿迭代轴的双曲正切型趋近律, 设计固定次迭代学习控制器, 推导出跟踪误差的稳态误差带并移除迭代次数上界依赖初始误差这一限制, 保证系统跟踪误差在固定迭代次数内收敛. 在此基础上, 基于系统输入输出数据设计沿迭代轴更新的参数自适应律与扩张状态观测器, 估计未知参数并补偿系统中未知干扰, 进而提高系统的鲁棒性与跟踪精度. 理论分析和仿真结果验证了所提方法的有效性.
摘要:
随着多光谱感知与智能视觉技术的发展, 如何在复杂环境中实现稳定而精确的目标检测已成为自动化视觉检测领域的重要研究方向. 针对传统单模态可见光目标检测在夜间、大雾及低照度等复杂环境中性能下降的问题, 提出一种基于频域特征细化导向的多光谱稀疏融合目标检测方法. 该方法利用共享权重的双分支编码器分别提取可见光与红外光特征, 并通过组稀疏自注意力模块实现跨模态长距离特征筛选, 以抑制冗余信息、增强显著特征表达. 同时, 设计频域自适应加权模块, 在频域空间中进行多光谱特征解耦与自适应融合, 实现不同光谱模态间的高效语义交互与动态权重分配. 该方法可在端到端框架下实现跨模态特征的高精度对齐与融合, 有效提升模型的检测精度与鲁棒性. 在M3FD、KAIST和FLIR三个公开数据集上分别取得83.5%, 76.2%和81.6%的mAP50结果, 显著优于现有多光谱目标检测算法, 验证了所提方法在复杂场景下的优越性能和泛化能力.
随着多光谱感知与智能视觉技术的发展, 如何在复杂环境中实现稳定而精确的目标检测已成为自动化视觉检测领域的重要研究方向. 针对传统单模态可见光目标检测在夜间、大雾及低照度等复杂环境中性能下降的问题, 提出一种基于频域特征细化导向的多光谱稀疏融合目标检测方法. 该方法利用共享权重的双分支编码器分别提取可见光与红外光特征, 并通过组稀疏自注意力模块实现跨模态长距离特征筛选, 以抑制冗余信息、增强显著特征表达. 同时, 设计频域自适应加权模块, 在频域空间中进行多光谱特征解耦与自适应融合, 实现不同光谱模态间的高效语义交互与动态权重分配. 该方法可在端到端框架下实现跨模态特征的高精度对齐与融合, 有效提升模型的检测精度与鲁棒性. 在M3FD、KAIST和FLIR三个公开数据集上分别取得83.5%, 76.2%和81.6%的mAP50结果, 显著优于现有多光谱目标检测算法, 验证了所提方法在复杂场景下的优越性能和泛化能力.
摘要:
随着工业产品日益丰富且精密复杂, 视觉工业缺陷检测技术备受关注. 近年来, 基础模型(FM)凭借其从海量数据中获取的广博先验知识, 在泛化能力及少样本与零样本场景中展现出强大的潜力. 然而, 梳理现有方法可以发现一个值得关注的现象:当前许多先进的FM方法, 其性能的显著提升并非单纯依赖FM的应用, 而是通过将FM强大的通用表征能力与非基础模型(NFM)方法中成熟、高效的任务导向型原理(例如对比学习、知识蒸馏和异常合成)进行战略性融合. 为系统性地分析并揭示这一协同范式, 首先分别对NFM和FM方法进行系统性综述, 并从多维度比较两种方法, 分析各自的优势与局限. 在此基础上, 深入剖析NFM策略如何从其原始架构中解耦出来, 并被重新用于增强基础模型在工业应用中的性能, 同时构建协同机制适配性矩阵. 此外, 进一步探讨该范式在实际场景中的落地局限. 在对比数据的支持下, 分析结果表明, FM的通用知识与NFM的任务特化优势之间存在巨大的协同潜力, 这为未来的研究指明一条有效的借鉴思路.
随着工业产品日益丰富且精密复杂, 视觉工业缺陷检测技术备受关注. 近年来, 基础模型(FM)凭借其从海量数据中获取的广博先验知识, 在泛化能力及少样本与零样本场景中展现出强大的潜力. 然而, 梳理现有方法可以发现一个值得关注的现象:当前许多先进的FM方法, 其性能的显著提升并非单纯依赖FM的应用, 而是通过将FM强大的通用表征能力与非基础模型(NFM)方法中成熟、高效的任务导向型原理(例如对比学习、知识蒸馏和异常合成)进行战略性融合. 为系统性地分析并揭示这一协同范式, 首先分别对NFM和FM方法进行系统性综述, 并从多维度比较两种方法, 分析各自的优势与局限. 在此基础上, 深入剖析NFM策略如何从其原始架构中解耦出来, 并被重新用于增强基础模型在工业应用中的性能, 同时构建协同机制适配性矩阵. 此外, 进一步探讨该范式在实际场景中的落地局限. 在对比数据的支持下, 分析结果表明, FM的通用知识与NFM的任务特化优势之间存在巨大的协同潜力, 这为未来的研究指明一条有效的借鉴思路.
摘要:
针对具有未知动力学的非线性多智能体系统, 研究事件触发神经网络自适应分布式优化控制问题. 通过结合神经网络与微分图博弈理论, 构建一种新型事件触发神经网络自适应分布式优化控制器. 为解决执行器频繁更新问题, 设计事件触发机制. 建立基于神经网络的强化学习算法, 学习优化控制器与Hamilton-Jacobi-Bellman方程的解析解, 利用当前采样数据和历史存储数据设计评价网络的权重更新机制. 构造Lyapunov函数证明了被控非线性多智能体系统为渐近稳定并达到纳什均衡. 计算机仿真结果验证了所提分布式最优控制方案的有效性.
针对具有未知动力学的非线性多智能体系统, 研究事件触发神经网络自适应分布式优化控制问题. 通过结合神经网络与微分图博弈理论, 构建一种新型事件触发神经网络自适应分布式优化控制器. 为解决执行器频繁更新问题, 设计事件触发机制. 建立基于神经网络的强化学习算法, 学习优化控制器与Hamilton-Jacobi-Bellman方程的解析解, 利用当前采样数据和历史存储数据设计评价网络的权重更新机制. 构造Lyapunov函数证明了被控非线性多智能体系统为渐近稳定并达到纳什均衡. 计算机仿真结果验证了所提分布式最优控制方案的有效性.
摘要:
针对多无人机在多重约束下的协同任务分配问题, 提出一种面向多无人机协同任务分配的多策略融合海鸥优化算法(MFSOA). 该算法由时间代价、能耗代价、负载均衡、任务时序及多约束条件构建多无人机协同任务分配目标优化模型. 为提升算法寻优效率, 采用Tent混沌映射增强种群多样性, 结合精英进化策略优化迭代过程中的种群质量; 通过设计多方向自适应迁徙策略增强算法全局寻优能力, 避免算法陷入局部最优; 构建基于精英个体的攻击策略平衡算法的全局探索与局部开发能力, 提升算法的寻优稳定性. 实验结果表明, MFSOA在多场景下均表现出优异的综合性能, 其寻优能力相较对比算法提升约3%~13%, 验证了该算法求解多无人机协同任务分配问题的有效性与可靠性.
针对多无人机在多重约束下的协同任务分配问题, 提出一种面向多无人机协同任务分配的多策略融合海鸥优化算法(MFSOA). 该算法由时间代价、能耗代价、负载均衡、任务时序及多约束条件构建多无人机协同任务分配目标优化模型. 为提升算法寻优效率, 采用Tent混沌映射增强种群多样性, 结合精英进化策略优化迭代过程中的种群质量; 通过设计多方向自适应迁徙策略增强算法全局寻优能力, 避免算法陷入局部最优; 构建基于精英个体的攻击策略平衡算法的全局探索与局部开发能力, 提升算法的寻优稳定性. 实验结果表明, MFSOA在多场景下均表现出优异的综合性能, 其寻优能力相较对比算法提升约3%~13%, 验证了该算法求解多无人机协同任务分配问题的有效性与可靠性.
摘要:
强化学习在提升多模态大语言模型的推理能力上展现出巨大潜力, 逐渐成为模型训练过程中的关键步骤. 然而, 在线强化学习算法需要策略模型在训练过程中实时采样, 且收敛速度较慢, 因此训练成本昂贵; 离线强化学习虽然整体成本更低, 但是也牺牲了性能上限. 本文尝试将离线强化学习训练成本低的特性与在线强化学习性能上限高的优势相结合, 提出一种新的训练策略--级联强化学习. 这套训练策略包含离线强化学习和在线强化学习两个训练阶段, 其中离线强化学习阶段用于加速模型收敛并提升后续训练的稳定性; 在线强化学习阶段对模型进行了更精细的训练, 进一步提升其性能上限. 本文通过一系列定量分析实验证明了相比单一的在线强化学习算法, 级联强化学习可以通过一半的训练成本达到更高的性能上限. 这种简单有效的训练策略将InternVL3.5-8B-Instruct和InternVL3.5-241B-A28B-Instruct在七个多模态推理评测基准上的平均准确率分别提升了6.7%和6.5%, 证明了这一策略的有效性和可扩展性.
强化学习在提升多模态大语言模型的推理能力上展现出巨大潜力, 逐渐成为模型训练过程中的关键步骤. 然而, 在线强化学习算法需要策略模型在训练过程中实时采样, 且收敛速度较慢, 因此训练成本昂贵; 离线强化学习虽然整体成本更低, 但是也牺牲了性能上限. 本文尝试将离线强化学习训练成本低的特性与在线强化学习性能上限高的优势相结合, 提出一种新的训练策略--级联强化学习. 这套训练策略包含离线强化学习和在线强化学习两个训练阶段, 其中离线强化学习阶段用于加速模型收敛并提升后续训练的稳定性; 在线强化学习阶段对模型进行了更精细的训练, 进一步提升其性能上限. 本文通过一系列定量分析实验证明了相比单一的在线强化学习算法, 级联强化学习可以通过一半的训练成本达到更高的性能上限. 这种简单有效的训练策略将InternVL3.5-8B-Instruct和InternVL3.5-241B-A28B-Instruct在七个多模态推理评测基准上的平均准确率分别提升了6.7%和6.5%, 证明了这一策略的有效性和可扩展性.
摘要:
针对炼油全流程调度中传统序贯优化方法因忽略港口作业与生产各环节耦合关系而导致的储罐频繁切换、库存成本增加及装置原料供应不连续等问题, 采用按原油类型集中卸载的泊位分配策略, 基于事件点的混合时间建模方法, 将泊位分配、原油卸载、储罐调度、蒸馏加工、二次加工至产品调配各环节集成, 构建港炼一体化调度模型. 模型综合刻画港口卸载与罐区库存的衔接约束、储罐切换与装置进料的时序关系及原油搭配与产品质量的耦合机制, 并采用归一化多参数分解技术对模型进行求解. 基于某炼化企业实际数据的案例研究结果表明, 所提模型能够有效优化泊位分配与原油卸载顺序, 显著改善罐区库存管理、蒸馏装置进料连续性、二次加工装置运行及成品油调配等后续生产环节的运行状态. 与传统序贯优化方法相比, 该模型有效降低了总运行成本, 提高了调度效率.
针对炼油全流程调度中传统序贯优化方法因忽略港口作业与生产各环节耦合关系而导致的储罐频繁切换、库存成本增加及装置原料供应不连续等问题, 采用按原油类型集中卸载的泊位分配策略, 基于事件点的混合时间建模方法, 将泊位分配、原油卸载、储罐调度、蒸馏加工、二次加工至产品调配各环节集成, 构建港炼一体化调度模型. 模型综合刻画港口卸载与罐区库存的衔接约束、储罐切换与装置进料的时序关系及原油搭配与产品质量的耦合机制, 并采用归一化多参数分解技术对模型进行求解. 基于某炼化企业实际数据的案例研究结果表明, 所提模型能够有效优化泊位分配与原油卸载顺序, 显著改善罐区库存管理、蒸馏装置进料连续性、二次加工装置运行及成品油调配等后续生产环节的运行状态. 与传统序贯优化方法相比, 该模型有效降低了总运行成本, 提高了调度效率.
摘要:
针对人体肝脏结构的超声扫查需求, 提出一种基于集合贝叶斯交互基元的全自主机械臂辅助扫查方法, 并搭建了相应的实验系统.该方法将扫查流程划分为顺序执行的“初始定位”与“模仿学习”两个阶段.在初始定位阶段, 系统通过RGB-D图像引导探头与患者建立接触, 并基于实时超声图像判断向模仿学习阶段切换的时机. 在模仿学习阶段, 系统将医师示范的扫查技能编码为超声图像与探头运动轨迹, 并通过集合贝叶斯交互基元实现对扫查技能的学习与复现, 最终完成肝脏的自主超声扫查. 最后, 在人体腹部体模上对所提方法进行了实验验证. 实验结果表明, 该方法在无需人工干预的条件下即可完成肝脏自主扫查任务, 展现出良好的临床应用前景.
针对人体肝脏结构的超声扫查需求, 提出一种基于集合贝叶斯交互基元的全自主机械臂辅助扫查方法, 并搭建了相应的实验系统.该方法将扫查流程划分为顺序执行的“初始定位”与“模仿学习”两个阶段.在初始定位阶段, 系统通过RGB-D图像引导探头与患者建立接触, 并基于实时超声图像判断向模仿学习阶段切换的时机. 在模仿学习阶段, 系统将医师示范的扫查技能编码为超声图像与探头运动轨迹, 并通过集合贝叶斯交互基元实现对扫查技能的学习与复现, 最终完成肝脏的自主超声扫查. 最后, 在人体腹部体模上对所提方法进行了实验验证. 实验结果表明, 该方法在无需人工干预的条件下即可完成肝脏自主扫查任务, 展现出良好的临床应用前景.
摘要:
图对比学习(GCL)作为一种强大的自监督表示学习范式, 能够通过有效利用无标签数据来增强半监督学习中的表示判别性和泛化能力. 然而, 现有的GCL方法在学习判别性嵌入表示以及图数据增强过程中实现对比多样性与语义不变性之间的平衡方面存在困难, 这导致在构建增强视图时关键信息的丢失. 为了解决这些挑战, 提出了一种新颖的跨频域对齐对比学习(CfACL)框架, 利用分数阶图神经扩散(FGND)进行图节点表示学习. FGND利用切比雪夫多项式分数阶微分方程实现图信号中多阶邻域信息的远程扩散, 缓解过平滑问题并提高图嵌入表示的判别能力. 随后, 通过高频和低频滤波器分别构建两种不同的FGND形式, 形成自然的增强对比视图, 避免了随机增强引起的内在结构坍塌和语义偏移. CfACL方法将高频滤波分量转换到低频域, 并在镜像的虚拟谱空间中进行对比学习, 从而能够在全局一致的语义空间中吸收有益的高频细节, 为下游任务生成全面的表示. 在同配性和异配性基准图数据集上的大量节点分类实验结果验证了所提方法的有效性.
图对比学习(GCL)作为一种强大的自监督表示学习范式, 能够通过有效利用无标签数据来增强半监督学习中的表示判别性和泛化能力. 然而, 现有的GCL方法在学习判别性嵌入表示以及图数据增强过程中实现对比多样性与语义不变性之间的平衡方面存在困难, 这导致在构建增强视图时关键信息的丢失. 为了解决这些挑战, 提出了一种新颖的跨频域对齐对比学习(CfACL)框架, 利用分数阶图神经扩散(FGND)进行图节点表示学习. FGND利用切比雪夫多项式分数阶微分方程实现图信号中多阶邻域信息的远程扩散, 缓解过平滑问题并提高图嵌入表示的判别能力. 随后, 通过高频和低频滤波器分别构建两种不同的FGND形式, 形成自然的增强对比视图, 避免了随机增强引起的内在结构坍塌和语义偏移. CfACL方法将高频滤波分量转换到低频域, 并在镜像的虚拟谱空间中进行对比学习, 从而能够在全局一致的语义空间中吸收有益的高频细节, 为下游任务生成全面的表示. 在同配性和异配性基准图数据集上的大量节点分类实验结果验证了所提方法的有效性.
摘要:
针对控制系统中数据经网络传输存在的隐私泄露以及隐私保护导致的性能损失问题, 本文研究一种具有隐私保护的切换系统最优控制方法. 根据混沌系统的非周期性及不可预测性, 开发一种基于混沌系统的数据加密方法. 将主混沌系统生成的伪随机序列添加到切换系统输出数据中, 能避免其经非理想网络传输时隐私的泄露. 其次, 设计一种基于粒子群优化算法的混沌形态同步控制器, 降低不确定项的影响, 保障主从混沌系统的同步性, 确保解密后数据的可用性. 然后, 利用自适应动态规划算法对采用解密后数据构造的代价函数进行优化, 将预更新最优子系统的更新规则做为候选切换律. 通过对比候选切换律与当前切换律作用下系统的性能, 将性能好的切换律做为控制策略的一部分, 确保切换系统性能最优. 最后, 通过仿真对所提方法的可行性进行验证.
针对控制系统中数据经网络传输存在的隐私泄露以及隐私保护导致的性能损失问题, 本文研究一种具有隐私保护的切换系统最优控制方法. 根据混沌系统的非周期性及不可预测性, 开发一种基于混沌系统的数据加密方法. 将主混沌系统生成的伪随机序列添加到切换系统输出数据中, 能避免其经非理想网络传输时隐私的泄露. 其次, 设计一种基于粒子群优化算法的混沌形态同步控制器, 降低不确定项的影响, 保障主从混沌系统的同步性, 确保解密后数据的可用性. 然后, 利用自适应动态规划算法对采用解密后数据构造的代价函数进行优化, 将预更新最优子系统的更新规则做为候选切换律. 通过对比候选切换律与当前切换律作用下系统的性能, 将性能好的切换律做为控制策略的一部分, 确保切换系统性能最优. 最后, 通过仿真对所提方法的可行性进行验证.
摘要:
大规模预训练模型已经在自然语言处理等领域展现出强大的能力. 为更好地适配下游任务, 微调预训练模型是一个常用的方法. 然而, 大模型的全参数微调面临计算成本高昂、存储需求巨大等严峻挑战. 参数高效微调(PEFT)作为解决这些问题的关键技术范式, 仅引入或选择极少量可训练参数, 在显著降低计算和存储开销的同时, 有效保持模型的能力. 该综述系统梳理PEFT领域的主流方法体系、关键技术进展与发展趋势. 首先, 将现有方法归纳为四大范式: 添加式、局部式、重参数化式以及融合式, 并深入剖析各类方法的核心机理、性能特征、应用场景及策略优势. 进而, 重点探讨PEFT的技术演进, 从技术变化中分析出现该发展的内在本质规律, 总结出PEFT 方法从单一方法创新向存储、计算、性能三元权衡, 以及自动化、智能化、软硬件协同等统一框架发展的技术趋势. 更进一步, 该综述对各类PEFT中的代表性方法进行系统性的定量比较, 在统一的模型与数据集上评估其性能与参数效率. 此外, 本综述还涵盖PEFT 技术在视觉、语音及跨模态模型等领域的拓展应用, 展现其广泛的适用性. 最后, 总结并探讨未来研究方向, 以推动更高效、更适应多样化任务的大型模型微调技术的发展.
大规模预训练模型已经在自然语言处理等领域展现出强大的能力. 为更好地适配下游任务, 微调预训练模型是一个常用的方法. 然而, 大模型的全参数微调面临计算成本高昂、存储需求巨大等严峻挑战. 参数高效微调(PEFT)作为解决这些问题的关键技术范式, 仅引入或选择极少量可训练参数, 在显著降低计算和存储开销的同时, 有效保持模型的能力. 该综述系统梳理PEFT领域的主流方法体系、关键技术进展与发展趋势. 首先, 将现有方法归纳为四大范式: 添加式、局部式、重参数化式以及融合式, 并深入剖析各类方法的核心机理、性能特征、应用场景及策略优势. 进而, 重点探讨PEFT的技术演进, 从技术变化中分析出现该发展的内在本质规律, 总结出PEFT 方法从单一方法创新向存储、计算、性能三元权衡, 以及自动化、智能化、软硬件协同等统一框架发展的技术趋势. 更进一步, 该综述对各类PEFT中的代表性方法进行系统性的定量比较, 在统一的模型与数据集上评估其性能与参数效率. 此外, 本综述还涵盖PEFT 技术在视觉、语音及跨模态模型等领域的拓展应用, 展现其广泛的适用性. 最后, 总结并探讨未来研究方向, 以推动更高效、更适应多样化任务的大型模型微调技术的发展.
摘要:
针对表面肌电信号和人体运动等模型误差引起的运动估计性能下降问题, 提出一种基于门控渐进高斯滤波网络(gated progressive Gaussian filtering network, GPGF-net) 的人体运动估计方法, 以实现对模型误差的补偿以及提升运动估计的精度. 首先, 设计门控记忆机制来调控信息流, 以学习出系统状态的长期依赖与观测信号的时变特性, 从而动态调整误差补偿项的分布参数. 其次, 通过融合贝叶斯滤波与深度学习的优势, 引入渐进式观测更新策略到GPGF-net, 以减小非线性近似误差以及增强模型鲁棒性. 最后, 通过人体肢体运动估计实验表明, 相较于现有方法, GPGF-net显著提高了估计精度, 均方根误差降低15.62 %, 相关系数R2提升5.08 %, 验证了所提方法的有效性.
针对表面肌电信号和人体运动等模型误差引起的运动估计性能下降问题, 提出一种基于门控渐进高斯滤波网络(gated progressive Gaussian filtering network, GPGF-net) 的人体运动估计方法, 以实现对模型误差的补偿以及提升运动估计的精度. 首先, 设计门控记忆机制来调控信息流, 以学习出系统状态的长期依赖与观测信号的时变特性, 从而动态调整误差补偿项的分布参数. 其次, 通过融合贝叶斯滤波与深度学习的优势, 引入渐进式观测更新策略到GPGF-net, 以减小非线性近似误差以及增强模型鲁棒性. 最后, 通过人体肢体运动估计实验表明, 相较于现有方法, GPGF-net显著提高了估计精度, 均方根误差降低15.62 %, 相关系数R2提升5.08 %, 验证了所提方法的有效性.
摘要:
航天器视觉位姿估计是空间智能在轨服务的技术核心, 其往往采用关键点检测与位姿解算相结合的两阶段方案. 然而, 现有的航天器关键点检测方法通常利用单一航天器的视觉图像数据进行训练, 因此, 它们无法适用于其他类型的航天器目标, 这严重限制了空间在轨服务的推广与应用. 为此, 提出一种基于视觉特征提示的跨类别航天器关键点检测方法. 当针对未知类别的新目标航天器时, 该方法仅需要给定一张支持图像和对应的关键点提示, 便可以准确预测出目标航天器关键点在查询图像中的位置. 为进一步验证所提方法的有效性, 依托虚拟仿真平台构建一个包含多种航天器、二维关键点标注以及三维姿态标注的多航天器位姿估计数据集. 在该数据集上进行的大量实验结果表明, 所提方法在跨类别航天器关键点检测任务中表现出色, 显著优于当前主流的关键点检测方法. 此外, 该方法与传统PnP算法相结合, 可以实现对任意航天器的高精度位姿估计. 本文方法的代码和数据集均已开源, 详见https://github.com/Dongzhou-1996/CSKDet .
航天器视觉位姿估计是空间智能在轨服务的技术核心, 其往往采用关键点检测与位姿解算相结合的两阶段方案. 然而, 现有的航天器关键点检测方法通常利用单一航天器的视觉图像数据进行训练, 因此, 它们无法适用于其他类型的航天器目标, 这严重限制了空间在轨服务的推广与应用. 为此, 提出一种基于视觉特征提示的跨类别航天器关键点检测方法. 当针对未知类别的新目标航天器时, 该方法仅需要给定一张支持图像和对应的关键点提示, 便可以准确预测出目标航天器关键点在查询图像中的位置. 为进一步验证所提方法的有效性, 依托虚拟仿真平台构建一个包含多种航天器、二维关键点标注以及三维姿态标注的多航天器位姿估计数据集. 在该数据集上进行的大量实验结果表明, 所提方法在跨类别航天器关键点检测任务中表现出色, 显著优于当前主流的关键点检测方法. 此外, 该方法与传统PnP算法相结合, 可以实现对任意航天器的高精度位姿估计. 本文方法的代码和数据集均已开源, 详见
摘要:
随着全球航班规模与运行密度提升, 传统人工监控方法在应对复杂动态飞行环境方面逐渐显现出局限性. 近年来, 数据驱动的智能监控方法成为提升飞行安全与运行效率的研究热点. 本文对基于时序大数据的飞行安全状态评估方法进行综述, 从飞行数据的时序特性出发, 梳理三类面向不同时间维度的关键方法: 异常检测、征兆挖掘以及趋势跟踪与预测, 涵盖飞行异常状态的识别与潜在风险事件的早期预警与预测. 首先, 对上述三类评估方法进行系统定义, 可覆盖“过去−现在−未来”的安全保障. 其次, 介绍各类方法的代表性研究进展与存在问题; 以高风险进近阶段为典型场景, 分析评估方法的应用现状与协同机制, 并回顾其技术支撑, 包括数据通信和软件平台. 最后, 总结当前挑战和未来方向, 包括异常检测的可解释性、征兆事件的动态表征与定位、趋势预测与因果推理的融合, 以及大模型应用潜力等.
随着全球航班规模与运行密度提升, 传统人工监控方法在应对复杂动态飞行环境方面逐渐显现出局限性. 近年来, 数据驱动的智能监控方法成为提升飞行安全与运行效率的研究热点. 本文对基于时序大数据的飞行安全状态评估方法进行综述, 从飞行数据的时序特性出发, 梳理三类面向不同时间维度的关键方法: 异常检测、征兆挖掘以及趋势跟踪与预测, 涵盖飞行异常状态的识别与潜在风险事件的早期预警与预测. 首先, 对上述三类评估方法进行系统定义, 可覆盖“过去−现在−未来”的安全保障. 其次, 介绍各类方法的代表性研究进展与存在问题; 以高风险进近阶段为典型场景, 分析评估方法的应用现状与协同机制, 并回顾其技术支撑, 包括数据通信和软件平台. 最后, 总结当前挑战和未来方向, 包括异常检测的可解释性、征兆事件的动态表征与定位、趋势预测与因果推理的融合, 以及大模型应用潜力等.
摘要:
在人类信息获取过程中, 视听觉扮演着重要角色, 大脑通过整合视听信息, 形成统一、连贯且稳定的知觉体验. 视听多模态学习旨在模拟人类的视听多感官整合能力, 近年来受到研究者的广泛关注. 然而, 该领域在应用场景、任务目标和技术方法上呈现出显著的多样性, 目前尚且缺乏对视听多模态学习领域系统性回顾和分析的综合性中文综述. 基于人类的多感官整合机制在视听认知中的重要性以及不同视听多模态学习任务间的内在关联性, 提出一个统一框架, 将现有研究归纳为三类: 视听增强通过引入音频或视觉信息实现对初始单模态任务的增强效应; 跨模态交互旨在探索视听信息间的相互转换; 视听协作致力于探索视听信息的综合理解方法及其协同效应. 在此基础上, 对该领域中的最新研究进展进行系统性综述和总结. 此外, 深入剖析当前视听多模态学习研究所面临的五大核心共性问题和挑战---视听表征、对齐、转换、融合和共同学习; 并探讨大模型背景下视听多模态学习的发展现状.
在人类信息获取过程中, 视听觉扮演着重要角色, 大脑通过整合视听信息, 形成统一、连贯且稳定的知觉体验. 视听多模态学习旨在模拟人类的视听多感官整合能力, 近年来受到研究者的广泛关注. 然而, 该领域在应用场景、任务目标和技术方法上呈现出显著的多样性, 目前尚且缺乏对视听多模态学习领域系统性回顾和分析的综合性中文综述. 基于人类的多感官整合机制在视听认知中的重要性以及不同视听多模态学习任务间的内在关联性, 提出一个统一框架, 将现有研究归纳为三类: 视听增强通过引入音频或视觉信息实现对初始单模态任务的增强效应; 跨模态交互旨在探索视听信息间的相互转换; 视听协作致力于探索视听信息的综合理解方法及其协同效应. 在此基础上, 对该领域中的最新研究进展进行系统性综述和总结. 此外, 深入剖析当前视听多模态学习研究所面临的五大核心共性问题和挑战---视听表征、对齐、转换、融合和共同学习; 并探讨大模型背景下视听多模态学习的发展现状.
摘要:
矿浆品位等关键指标难以通过传感器在线直接测量, 研究利用易获取的过程运行数据与泡沫图像间接估计矿浆品位的软测量方法具有重要工程意义. 针对传统泡沫图像表征方法表征能力不足且泛化性差的问题, 提出专家经验引导的泡沫图像表征学习方法. 该方法由分布特征隔离与经验引导表征学习两部分构成: 前者将泡沫图像映射至尺寸、颜色、纹理等具有明确工艺解释意义的视觉属性子空间, 以及用于补充隐性判别信息的数据特征子空间, 实现结构化的视觉属性表征; 后者通过构造模拟人工视觉判断过程的对比学习机制, 引导模型在各子空间中学习与专家经验一致的判别特征, 建立视觉属性子空间与专家知识之间的显式对应关系. 基于中国某铅锌浮选厂的工业数据实验结果表明, 所提方法在锌、铅、铁底流品位软测量中的决定系数较近期提出的软测量模型DEFIE分别提升 3.97%、1.97%和 2.40%.
矿浆品位等关键指标难以通过传感器在线直接测量, 研究利用易获取的过程运行数据与泡沫图像间接估计矿浆品位的软测量方法具有重要工程意义. 针对传统泡沫图像表征方法表征能力不足且泛化性差的问题, 提出专家经验引导的泡沫图像表征学习方法. 该方法由分布特征隔离与经验引导表征学习两部分构成: 前者将泡沫图像映射至尺寸、颜色、纹理等具有明确工艺解释意义的视觉属性子空间, 以及用于补充隐性判别信息的数据特征子空间, 实现结构化的视觉属性表征; 后者通过构造模拟人工视觉判断过程的对比学习机制, 引导模型在各子空间中学习与专家经验一致的判别特征, 建立视觉属性子空间与专家知识之间的显式对应关系. 基于中国某铅锌浮选厂的工业数据实验结果表明, 所提方法在锌、铅、铁底流品位软测量中的决定系数较近期提出的软测量模型DEFIE分别提升 3.97%、1.97%和 2.40%.
摘要:
针对四轮独立驱动电动汽车轮毂电机转矩矢量控制中稳定性与经济性相冲突的问题, 提出一种基于稳定裕度博弈与分层优化的协同控制策略. 首先建立车辆动力学模型与高保真能耗模型; 进而设计分层控制器: 上层基于线性二次调节器计算广义横摆力矩, 中层通过模型预测控制在相平面稳定裕度约束下以系统损耗最小为目标优化横摆力矩与分配权重, 下层利用二次规划算法求解最优轮端转矩. 基于dSPACE平台的硬件在环仿真结果表明, 在双移线工况下, 所提策略在保证稳定性的同时能耗降低5.7%, 具有优良的综合性能与鲁棒性.
针对四轮独立驱动电动汽车轮毂电机转矩矢量控制中稳定性与经济性相冲突的问题, 提出一种基于稳定裕度博弈与分层优化的协同控制策略. 首先建立车辆动力学模型与高保真能耗模型; 进而设计分层控制器: 上层基于线性二次调节器计算广义横摆力矩, 中层通过模型预测控制在相平面稳定裕度约束下以系统损耗最小为目标优化横摆力矩与分配权重, 下层利用二次规划算法求解最优轮端转矩. 基于dSPACE平台的硬件在环仿真结果表明, 在双移线工况下, 所提策略在保证稳定性的同时能耗降低5.7%, 具有优良的综合性能与鲁棒性.
摘要:
本文系统回顾美国、欧洲及我国在宇航用处理器领域的技术演进, 重点分析了基于PowerPC架构的美国代表性处理器产品以及采用SPARC架构的欧洲与我国典型处理器方案. 研究揭示, 未来宇航用处理器的发展将显著分化为通用型与智能型两大技术路线. 通用型宇航用处理器将呈现高性能(如提升多核并行计算能力)、高集成度(如实现系统级芯片SoC)、高可靠性(如强化抗辐射设计)及低功耗的协同发展趋势; 而智能型处理器则将侧重于提升在轨实时智能信息处理能力.
本文系统回顾美国、欧洲及我国在宇航用处理器领域的技术演进, 重点分析了基于PowerPC架构的美国代表性处理器产品以及采用SPARC架构的欧洲与我国典型处理器方案. 研究揭示, 未来宇航用处理器的发展将显著分化为通用型与智能型两大技术路线. 通用型宇航用处理器将呈现高性能(如提升多核并行计算能力)、高集成度(如实现系统级芯片SoC)、高可靠性(如强化抗辐射设计)及低功耗的协同发展趋势; 而智能型处理器则将侧重于提升在轨实时智能信息处理能力.
摘要:
在部分可观测且动态变化的环境中, 深度强化学习(DRL) 为多智能体路径规划(MAPF) 提供了具备自学习、泛化与动态适应能力的分布式求解途径. 然而,DRL 在该问题中仍存在协调性不足与局部近视两个挑战: 智能体间的隐式交互易引发冲突, 仅依赖局部观测的反应式避障又导致路径冗长与全局偏离. 为此, 提出一种基于多模态特征融合与局部感知推理的分布式路径协作方法(local yielding and reasoning for agents, LYRA). 该方法在分布式DRL 框架下构建从感知到决策的学习体系, 使智能体能依托局部观测实现推理与隐式让行. 多模态状态编码器融合局部碰撞线索与全局路径语义, 平衡即时避障与长期导航目标; 奖励引导的路径学习策略保证局部决策与全局任务一致; 群体协作机制通过隐式优先级推理化解局部冲突; 自适应学习率机制动态调节策略更新以提升训练稳定性. 实验结果表明, LYRA 在任务成功率与安全性上较基线方法分别提升约35 % 和25 %, 在不同环境复杂度下保持良好泛化性, 为实现高效鲁棒的分布式多智能体路径规划提供了新范式.
在部分可观测且动态变化的环境中, 深度强化学习(DRL) 为多智能体路径规划(MAPF) 提供了具备自学习、泛化与动态适应能力的分布式求解途径. 然而,DRL 在该问题中仍存在协调性不足与局部近视两个挑战: 智能体间的隐式交互易引发冲突, 仅依赖局部观测的反应式避障又导致路径冗长与全局偏离. 为此, 提出一种基于多模态特征融合与局部感知推理的分布式路径协作方法(local yielding and reasoning for agents, LYRA). 该方法在分布式DRL 框架下构建从感知到决策的学习体系, 使智能体能依托局部观测实现推理与隐式让行. 多模态状态编码器融合局部碰撞线索与全局路径语义, 平衡即时避障与长期导航目标; 奖励引导的路径学习策略保证局部决策与全局任务一致; 群体协作机制通过隐式优先级推理化解局部冲突; 自适应学习率机制动态调节策略更新以提升训练稳定性. 实验结果表明, LYRA 在任务成功率与安全性上较基线方法分别提升约35 % 和25 %, 在不同环境复杂度下保持良好泛化性, 为实现高效鲁棒的分布式多智能体路径规划提供了新范式.
摘要:
水陆两栖机器人凭借其跨介质运动能力, 在巡检、侦察、生态监测等多个领域展现出广阔的应用前景. 仿生学通过借鉴水陆两栖动物的形态结构与运动策略, 为提升机器人的环境适应性与运动机动性提供重要的设计思路. 首先, 系统梳理具有不同形态特征的典型水陆两栖生物, 并阐明其推进机制对机器人设计所产生的双向促进作用. 其次, 以推进策略为主线, 将现有两栖机器人划分为采用统一驱动的单一推进机制(包括鳍推进、刚性肢体推进、柔性肢体推进及连续体波推进)以及采用不同驱动方式的混合推进机制, 分别介绍各类代表性仿生两栖机器人原型样机, 并分析各种推进方式在不同介质的适应性变化及效能. 随后, 总结感知、驱动与控制等关键技术的当前发展状况, 比较不同推进模式下控制策略的共性与差异. 最后, 结合跨介质多场景运动、具身智能及物理智能等前沿理念, 探讨水陆两栖仿生机器人未来的研究方向与应用前景.
水陆两栖机器人凭借其跨介质运动能力, 在巡检、侦察、生态监测等多个领域展现出广阔的应用前景. 仿生学通过借鉴水陆两栖动物的形态结构与运动策略, 为提升机器人的环境适应性与运动机动性提供重要的设计思路. 首先, 系统梳理具有不同形态特征的典型水陆两栖生物, 并阐明其推进机制对机器人设计所产生的双向促进作用. 其次, 以推进策略为主线, 将现有两栖机器人划分为采用统一驱动的单一推进机制(包括鳍推进、刚性肢体推进、柔性肢体推进及连续体波推进)以及采用不同驱动方式的混合推进机制, 分别介绍各类代表性仿生两栖机器人原型样机, 并分析各种推进方式在不同介质的适应性变化及效能. 随后, 总结感知、驱动与控制等关键技术的当前发展状况, 比较不同推进模式下控制策略的共性与差异. 最后, 结合跨介质多场景运动、具身智能及物理智能等前沿理念, 探讨水陆两栖仿生机器人未来的研究方向与应用前景.
摘要:
随着机器人技术快速发展, 其对精细感知能力需求日益增长. 然而, 现有机器人仍难以具备如人类般灵活的操作能力. 在精细抓取任务中, 机器人恒力抓取策略存在局限性: 抓取力过大易损伤物体, 抓取力过小则导致抓取不稳. 为应对上述问题, 提出一种基于视觉与触觉融合的机器人自适应力控抓取方法. 该方法由视觉模块、触觉模块和抓取策略组成: 视觉模块用于预测目标抓取位置; 在接触阶段, 触觉模块借助视触觉传感器恢复触觉深度并估算接触面积与法向力; 随后, 通过最大深度变化率和帧间均方差进行形变判定, 并触发抓取力调整策略, 从而实现“渐进增力–形变检测–力回退”的仿生反馈抓取机制. 实验结果表明, 该方法将多种日常物体的整体抓取成功率由87.50% 提升至98.75%, 在易碎物体抓取中实现零损坏.
随着机器人技术快速发展, 其对精细感知能力需求日益增长. 然而, 现有机器人仍难以具备如人类般灵活的操作能力. 在精细抓取任务中, 机器人恒力抓取策略存在局限性: 抓取力过大易损伤物体, 抓取力过小则导致抓取不稳. 为应对上述问题, 提出一种基于视觉与触觉融合的机器人自适应力控抓取方法. 该方法由视觉模块、触觉模块和抓取策略组成: 视觉模块用于预测目标抓取位置; 在接触阶段, 触觉模块借助视触觉传感器恢复触觉深度并估算接触面积与法向力; 随后, 通过最大深度变化率和帧间均方差进行形变判定, 并触发抓取力调整策略, 从而实现“渐进增力–形变检测–力回退”的仿生反馈抓取机制. 实验结果表明, 该方法将多种日常物体的整体抓取成功率由87.50% 提升至98.75%, 在易碎物体抓取中实现零损坏.
摘要:
在工业4.0时代, 大语言模型向工业边缘异构集群的迁移已成为一项关键技术挑战.边缘设备计算与存储资源受限、动态负载波动、异构架构复杂以及网络高延迟等特性, 使得传统推理框架难以满足工业场景对实时性、鲁棒性和隐私保护的需求.提出一种动态弹性推理框架(Dynama), 设计全域心跳被动感知器和实时弹性量化调度算法.该框架采用管道环并行结构, 实现模型层动态分配与懒加载; 通过被动监测设备延迟向量, 触发实时弹性量化调度算法在不改变层分配前提下优化量化版本, 平衡延迟最小化和精度损失. Dynama通过优化数据传输与量化策略, 显著提升高延迟网络环境下的推理效率, 适应工业边缘的动态环境变化.实验结果表明, Dynama在工业边缘异构集群中展现出优异的实时性与鲁棒性, 为工业智能的落地应用提供高效、可靠的解决方案.
在工业4.0时代, 大语言模型向工业边缘异构集群的迁移已成为一项关键技术挑战.边缘设备计算与存储资源受限、动态负载波动、异构架构复杂以及网络高延迟等特性, 使得传统推理框架难以满足工业场景对实时性、鲁棒性和隐私保护的需求.提出一种动态弹性推理框架(Dynama), 设计全域心跳被动感知器和实时弹性量化调度算法.该框架采用管道环并行结构, 实现模型层动态分配与懒加载; 通过被动监测设备延迟向量, 触发实时弹性量化调度算法在不改变层分配前提下优化量化版本, 平衡延迟最小化和精度损失. Dynama通过优化数据传输与量化策略, 显著提升高延迟网络环境下的推理效率, 适应工业边缘的动态环境变化.实验结果表明, Dynama在工业边缘异构集群中展现出优异的实时性与鲁棒性, 为工业智能的落地应用提供高效、可靠的解决方案.
摘要:
近年来, 视频扩散模型在相机可控的图像到视频生成任务中取得了突破性进展. 然而, 现有方法在维持3D空间结构一致性方面仍面临显著挑战, 其生成视频普遍存在空间结构模糊化、多视角下物体形态畸变等缺陷, 这些问题严重制约了生成视频的视觉可信度. 为解决这一问题, 提出在视频扩散模型的训练和推理阶段均引入额外的3D空间先验信息, 以增强生成视频的空间结构一致性. 具体而言, 在模型训练阶段, 设计基于视角形变映射的条件嵌入方法(Warp-Injection), 通过进行逐帧视角形变映射与图像补全构建具备高度空间一致性的参考帧序列, 并将其作为结构先验条件嵌入扩散模型的训练过程. 在推理阶段, 首先提出初始噪声空间几何校正策略(Warp-Init): 对条件图像加噪进行首帧初始化, 此后通过迭代式视角形变映射构建符合3D一致性约束的初始噪声序列. 在此基础上, 进一步在去噪过程中引入基于视角形变先验的能量函数引导策略(Warp-Guidance), 通过减小生成帧与视角形变映射后的预期目标视频之间的距离来实现对视频3D空间一致性的校正. 在标准RealEstate10K数据集上的实验结果表明, 相较于当前最优模型, 本文方法在FVD指标上取得18.03的显著优化, 同时将3D结构估计的失败率(COLMAP error rate) 降低至5.20%. 可视化分析进一步证明, 本文方法能有效维持生成视频的3D空间结构一致性.
近年来, 视频扩散模型在相机可控的图像到视频生成任务中取得了突破性进展. 然而, 现有方法在维持3D空间结构一致性方面仍面临显著挑战, 其生成视频普遍存在空间结构模糊化、多视角下物体形态畸变等缺陷, 这些问题严重制约了生成视频的视觉可信度. 为解决这一问题, 提出在视频扩散模型的训练和推理阶段均引入额外的3D空间先验信息, 以增强生成视频的空间结构一致性. 具体而言, 在模型训练阶段, 设计基于视角形变映射的条件嵌入方法(Warp-Injection), 通过进行逐帧视角形变映射与图像补全构建具备高度空间一致性的参考帧序列, 并将其作为结构先验条件嵌入扩散模型的训练过程. 在推理阶段, 首先提出初始噪声空间几何校正策略(Warp-Init): 对条件图像加噪进行首帧初始化, 此后通过迭代式视角形变映射构建符合3D一致性约束的初始噪声序列. 在此基础上, 进一步在去噪过程中引入基于视角形变先验的能量函数引导策略(Warp-Guidance), 通过减小生成帧与视角形变映射后的预期目标视频之间的距离来实现对视频3D空间一致性的校正. 在标准RealEstate10K数据集上的实验结果表明, 相较于当前最优模型, 本文方法在FVD指标上取得18.03的显著优化, 同时将3D结构估计的失败率(COLMAP error rate) 降低至5.20%. 可视化分析进一步证明, 本文方法能有效维持生成视频的3D空间结构一致性.
摘要:
近年来, 大语言模型研究取得了突破性进展. 本文针对大模型分布式训练中通信开销高、算力利用率低的问题, 提出了一种基于Adam-mini优化器的单比特通信压缩算法——单比特Adam-mini. 该算法通过减少二阶动量参数, 使得能够以较小的通信代价精确计算全局二阶动量, 从而简化了通信误差补偿机制的设计. 单比特Adam-mini不仅避免了现有单比特Adam算法中通信开销较大的预热阶段, 还具备可证明的线性加速性质, 确保了分布式训练的高效性. 实验结果表明, 该算法在多种任务上表现优异, 并且可以兼容稀疏压缩器, 为大模型训练提供了更高效的解决方案.
近年来, 大语言模型研究取得了突破性进展. 本文针对大模型分布式训练中通信开销高、算力利用率低的问题, 提出了一种基于Adam-mini优化器的单比特通信压缩算法——单比特Adam-mini. 该算法通过减少二阶动量参数, 使得能够以较小的通信代价精确计算全局二阶动量, 从而简化了通信误差补偿机制的设计. 单比特Adam-mini不仅避免了现有单比特Adam算法中通信开销较大的预热阶段, 还具备可证明的线性加速性质, 确保了分布式训练的高效性. 实验结果表明, 该算法在多种任务上表现优异, 并且可以兼容稀疏压缩器, 为大模型训练提供了更高效的解决方案.
摘要:
以深度学习为代表的机器学习方法已经在多个领域取得显著进展, 然而大多方法局限于静态场景, 难以像人类一样在开放世界的动态场景中不断学习新知识, 同时保持已经学过的知识. 为解决该挑战, 持续学习受到越来越多的关注. 现有的持续学习方法大致可以分为两类, 即传统的非预训练模型持续学习方法以及大模型时代下逐步演进的预训练模型持续学习方法. 本文旨在对这两类方法的研究进展进行详细的综述, 主要从四个层面对比非预训练模型和预训练模型方法的异同点, 即数据层面、模型层面、损失/优化层面以及理论层面. 着重分析从应用非预训练模型的方法发展到应用预训练模型的方法的技术变化, 并分析出现此类差异的内在本质. 最后, 总结并展望未来持续学习发展的趋势.
以深度学习为代表的机器学习方法已经在多个领域取得显著进展, 然而大多方法局限于静态场景, 难以像人类一样在开放世界的动态场景中不断学习新知识, 同时保持已经学过的知识. 为解决该挑战, 持续学习受到越来越多的关注. 现有的持续学习方法大致可以分为两类, 即传统的非预训练模型持续学习方法以及大模型时代下逐步演进的预训练模型持续学习方法. 本文旨在对这两类方法的研究进展进行详细的综述, 主要从四个层面对比非预训练模型和预训练模型方法的异同点, 即数据层面、模型层面、损失/优化层面以及理论层面. 着重分析从应用非预训练模型的方法发展到应用预训练模型的方法的技术变化, 并分析出现此类差异的内在本质. 最后, 总结并展望未来持续学习发展的趋势.
, 最新更新时间
, doi: 10.16383/j.aas.c190277
摘要:
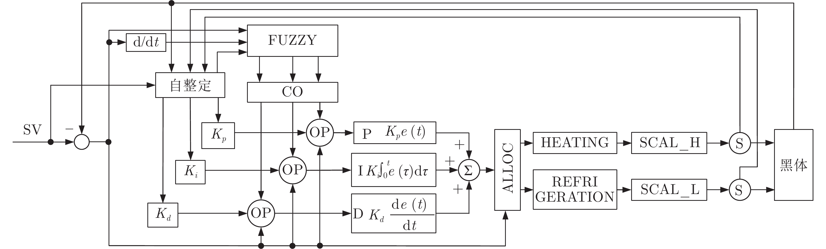
首先, 通过分析黑体温度控制系统的物理模型, 推演出黑体传递函数的表达式.推演过程中得知黑体易受环境温度和空气散热的影响, 所以黑体温度控制系统是个非线性时变系统.结合实验黑体的阶跃响应数据, 采用阶跃响应法对传递函数进行近似计算, 得出黑体温控系统的传递函数是极点在左半轴的二阶系统, 该系统等效于二阶低通滤波器.经过低通滤波器的信号, 会滤除高频部分, 当用继电器法进行参数自整定时, 仅需计算能量较大的基波信号.通过对基波信号进行比较, 得出继电器法的整定公式, 并参照Ziegler-Nichols整定法则计算出PID参数.同时, 本文针对黑体加热器具有双路输出的特点, 提出了一种双路动态输出法, 通过理论分析了该方法可以消除环境对黑体温度的影响.对于环境温度变化较大的, 采用继电器法PID参数自整定的方式来消除; 对于黑体运行过程中环境温度变化较小的, 采用双路动态输出法来减少影响.最后, 结合实验数据, 引入性能指标, 验证了本文所述方法对黑体的温度控制性能有一定的提升.
首先, 通过分析黑体温度控制系统的物理模型, 推演出黑体传递函数的表达式.推演过程中得知黑体易受环境温度和空气散热的影响, 所以黑体温度控制系统是个非线性时变系统.结合实验黑体的阶跃响应数据, 采用阶跃响应法对传递函数进行近似计算, 得出黑体温控系统的传递函数是极点在左半轴的二阶系统, 该系统等效于二阶低通滤波器.经过低通滤波器的信号, 会滤除高频部分, 当用继电器法进行参数自整定时, 仅需计算能量较大的基波信号.通过对基波信号进行比较, 得出继电器法的整定公式, 并参照Ziegler-Nichols整定法则计算出PID参数.同时, 本文针对黑体加热器具有双路输出的特点, 提出了一种双路动态输出法, 通过理论分析了该方法可以消除环境对黑体温度的影响.对于环境温度变化较大的, 采用继电器法PID参数自整定的方式来消除; 对于黑体运行过程中环境温度变化较小的, 采用双路动态输出法来减少影响.最后, 结合实验数据, 引入性能指标, 验证了本文所述方法对黑体的温度控制性能有一定的提升.
, 最新更新时间
, doi: 10.16383/j.aas.c200007
摘要:
仿人智能控制是现代智能控制理论之一, 利用分层递阶的控制结构与多控制模态为强非线性、大迟滞、难建模问题提供了切实可行的解决方案, 近些年来发展迅速并且得到学术界的持续关注, 但缺乏对该理论研究进展系统性的总结. 本文通过系统的梳理仿人智能控制的理论基础和发展脉络, 将其划分为三代控制模型, 分别从每一代控制模型的算法描述、研究进展与应用进展三个角度进行综述, 同时, 结合当前的研究进展讨论仿人智能控制在控制模型、结构功能、参数校正方面进一步研究的方向.
仿人智能控制是现代智能控制理论之一, 利用分层递阶的控制结构与多控制模态为强非线性、大迟滞、难建模问题提供了切实可行的解决方案, 近些年来发展迅速并且得到学术界的持续关注, 但缺乏对该理论研究进展系统性的总结. 本文通过系统的梳理仿人智能控制的理论基础和发展脉络, 将其划分为三代控制模型, 分别从每一代控制模型的算法描述、研究进展与应用进展三个角度进行综述, 同时, 结合当前的研究进展讨论仿人智能控制在控制模型、结构功能、参数校正方面进一步研究的方向.
, 最新更新时间
, doi: 10.16383/j.aas.2020.c200033
摘要:
深度神经网络在解决复杂问题方面取得了惊人的成功, 广泛应用于生活中各个领域, 但是最近的研究表明, 深度神经网络容易受到精心设计的对抗样本的攻击, 导致网络模型输出错误的预测结果, 这对于深度学习网络的安全性是一种极大的挑战. 对抗攻击是深度神经网络发展过程中必须克服的一大障碍, 设计一种高效且能够防御多种对抗攻击算法, 且具有强鲁棒性的防御模型是有效推动对抗攻击防御的方向之一, 探究能否利用对抗性攻击来训练网络分类器从而提高其鲁棒性具有重要意义. 本文将生成对抗网络(Generative adversarial networks, GAN)和现有的攻击算法结合, 提出一种基于生成对抗网络的对抗攻击防御模型(AC-DefGAN), 利用对抗攻击算法生成攻击样本作为GAN的训练样本, 同时在网络中加入条件约束来稳定模型的训练过程, 利用分类器对生成器所生成样本的分类来指导GAN的训练过程, 通过自定义分类器需要防御的攻击算法来生成对抗样本以完成判别器的训练, 从而得到能够防御多种对抗攻击的分类器. 通过在MNIST、CIFAR-10和ImageNet数据集上进行实验, 证明训练完成后, AC-DefGAN可以直接对原始样本和对抗样本进行正确分类, 对各类对抗攻击算法达到很好的防御效果, 且比已有方法防御效果好、鲁棒性强.
深度神经网络在解决复杂问题方面取得了惊人的成功, 广泛应用于生活中各个领域, 但是最近的研究表明, 深度神经网络容易受到精心设计的对抗样本的攻击, 导致网络模型输出错误的预测结果, 这对于深度学习网络的安全性是一种极大的挑战. 对抗攻击是深度神经网络发展过程中必须克服的一大障碍, 设计一种高效且能够防御多种对抗攻击算法, 且具有强鲁棒性的防御模型是有效推动对抗攻击防御的方向之一, 探究能否利用对抗性攻击来训练网络分类器从而提高其鲁棒性具有重要意义. 本文将生成对抗网络(Generative adversarial networks, GAN)和现有的攻击算法结合, 提出一种基于生成对抗网络的对抗攻击防御模型(AC-DefGAN), 利用对抗攻击算法生成攻击样本作为GAN的训练样本, 同时在网络中加入条件约束来稳定模型的训练过程, 利用分类器对生成器所生成样本的分类来指导GAN的训练过程, 通过自定义分类器需要防御的攻击算法来生成对抗样本以完成判别器的训练, 从而得到能够防御多种对抗攻击的分类器. 通过在MNIST、CIFAR-10和ImageNet数据集上进行实验, 证明训练完成后, AC-DefGAN可以直接对原始样本和对抗样本进行正确分类, 对各类对抗攻击算法达到很好的防御效果, 且比已有方法防御效果好、鲁棒性强.